System Diagram

Need a step-by-step guide?

Get an AI-powered repair guide with parts lists, cost estimates, and clear instructions for your 2002 Subaru.

AI Repair Guides
COMPONENT





1. TIMING BELT





2. CYLINDER HEAD AND CAMSHAFT





3. VALVE ROCKER ASSEMBLY





4. CYLINDER HEAD AND VALVE ASSEMBLY





5. CYLINDER BLOCK

6. CRANKSHAFT AND PISTON





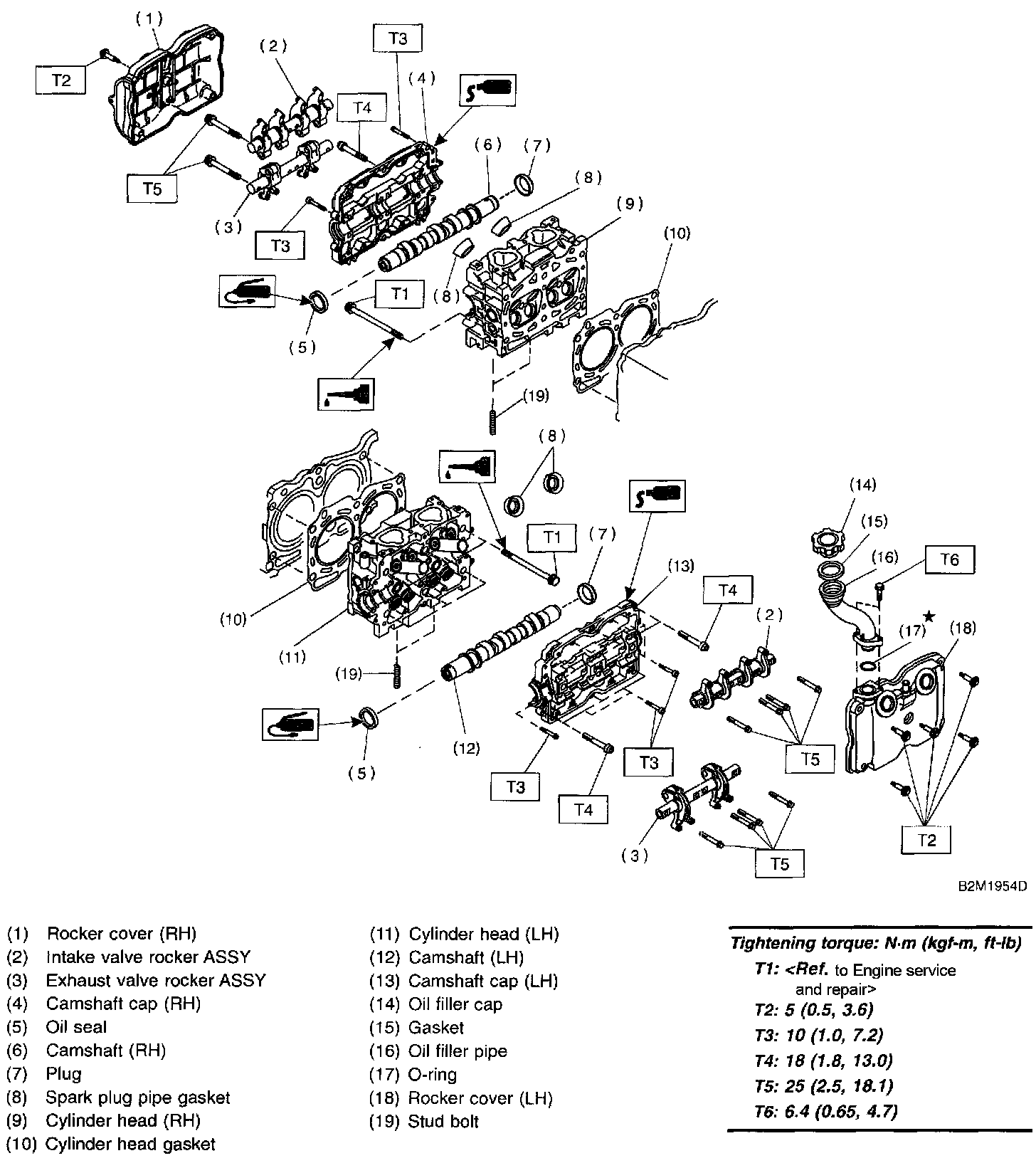
Exploded view





Legend





7. ENGINE MOUNTING