Starter Motor

Need a step-by-step guide?

Get an AI-powered repair guide with parts lists, cost estimates, and clear instructions for your 2002 Subaru.

AI Repair Guides

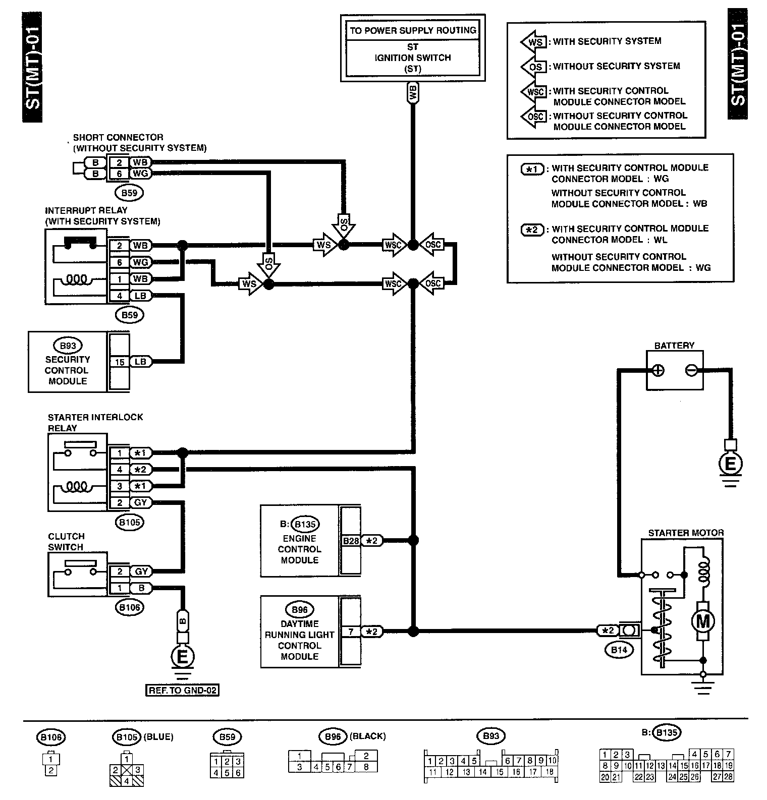
ST(MT)-01 - Starter System (MT Model):



ST(AT)-01 - Starter System (AT Model):