Fog/Driving Lamp

Need a step-by-step guide?

Get an AI-powered repair guide with parts lists, cost estimates, and clear instructions for your 2002 Subaru.

AI Repair Guides


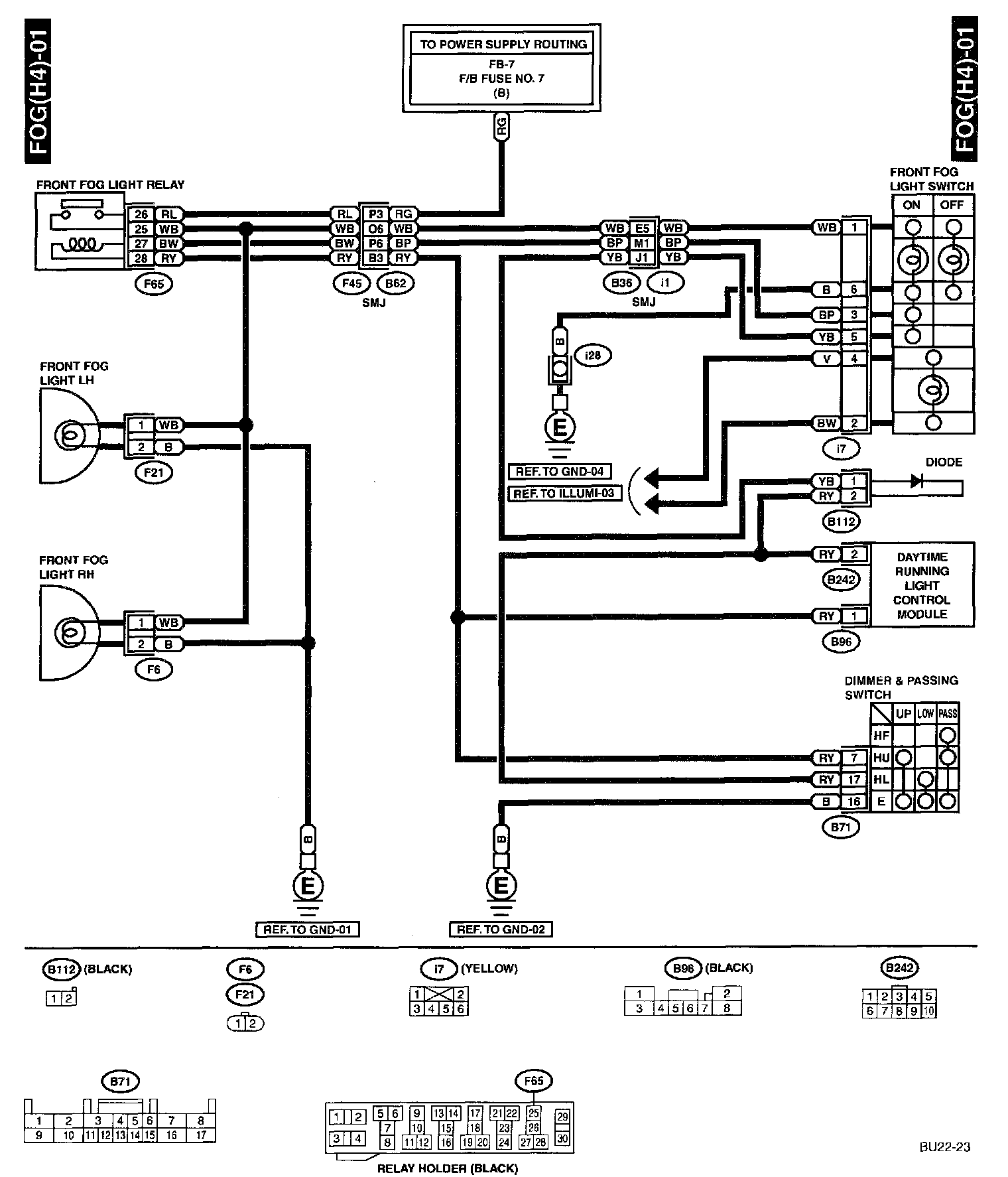
FOG(H4)-01 - Front Fog Light System:






Fuse/Relay Locations: For fuse and/or relay locations refer to Starting and Charging / Power and Ground Distribution: Power and Ground Distribution

Ground Locations: For ground locations refer to Vehicle / Locations / Grounds: Ground Locations

Connector Locations: For connector locations refer to Vehicle / Locations / Harness: Harness Locations

Component Locations: For component locations refer to Vehicle / Locations / Harness: Harness Locations

NOTE:
To locate Connectors, Components and/or Grounds using Harness Connector Location diagram(s) use the connector's alphanumeric name [referred to in the wiring diagram(s)] to identify the appropriate Harness Connector Location diagram. For example, the prefix letter "B" in the connector name "B-38" indicates the location is displayed in the Bulkhead Wiring Harness Connector Location diagram.

Legend:

Prefix Harness Connector Diagram

F Front
B Bulkhead
i Instrument Panel
P Power Window
D Door
R Rear