Check Cruise Control Command Switch

Need a step-by-step guide?

Get an AI-powered repair guide with parts lists, cost estimates, and clear instructions for your 2002 Subaru.

AI Repair Guides
CHECK CRUISE CONTROL COMMAND SWITCH

TROUBLE SYMPTOM:
Cruise control cannot be set. (Cancelled immediately.)

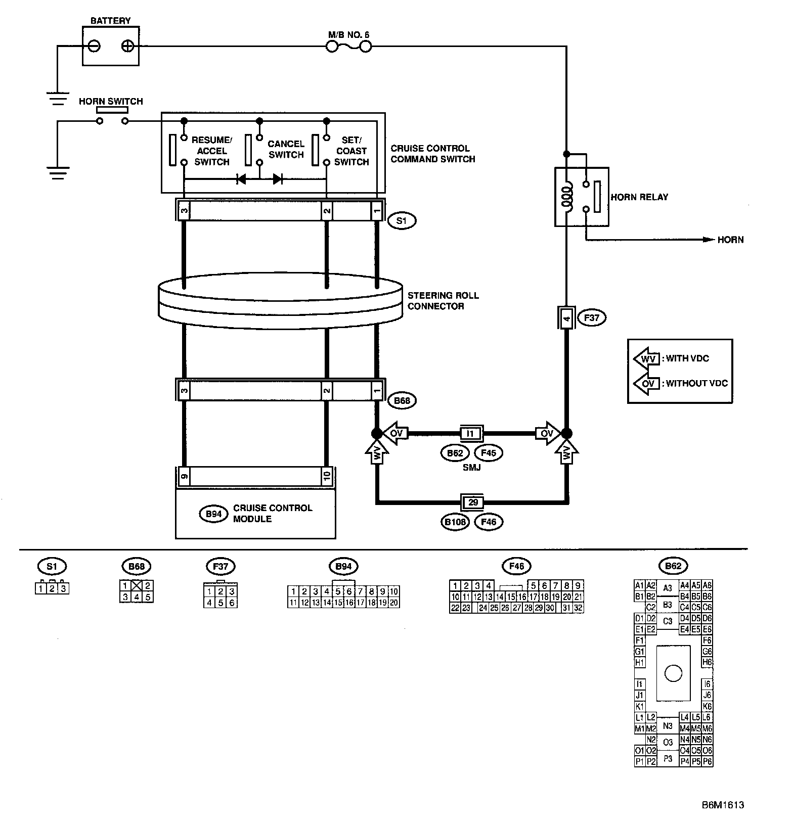
Wiring Diagram:




WIRING DIAGRAM:

Step 1 - 5:




DIAGNOSTIC TROUBLE CODE PROCEDURE