With Select Monitor

Need a step-by-step guide?

Get an AI-powered repair guide with parts lists, cost estimates, and clear instructions for your 2002 Subaru.

AI Repair Guides
COMMUNICATION FOR INITIALIZING IMPOSSIBLE (SELECT MONITOR COMMUNICATION FAILURE)

DIAGNOSIS:
- Faulty harness connector

TROUBLE SYMPTOM:
- ABS warning light remains on.





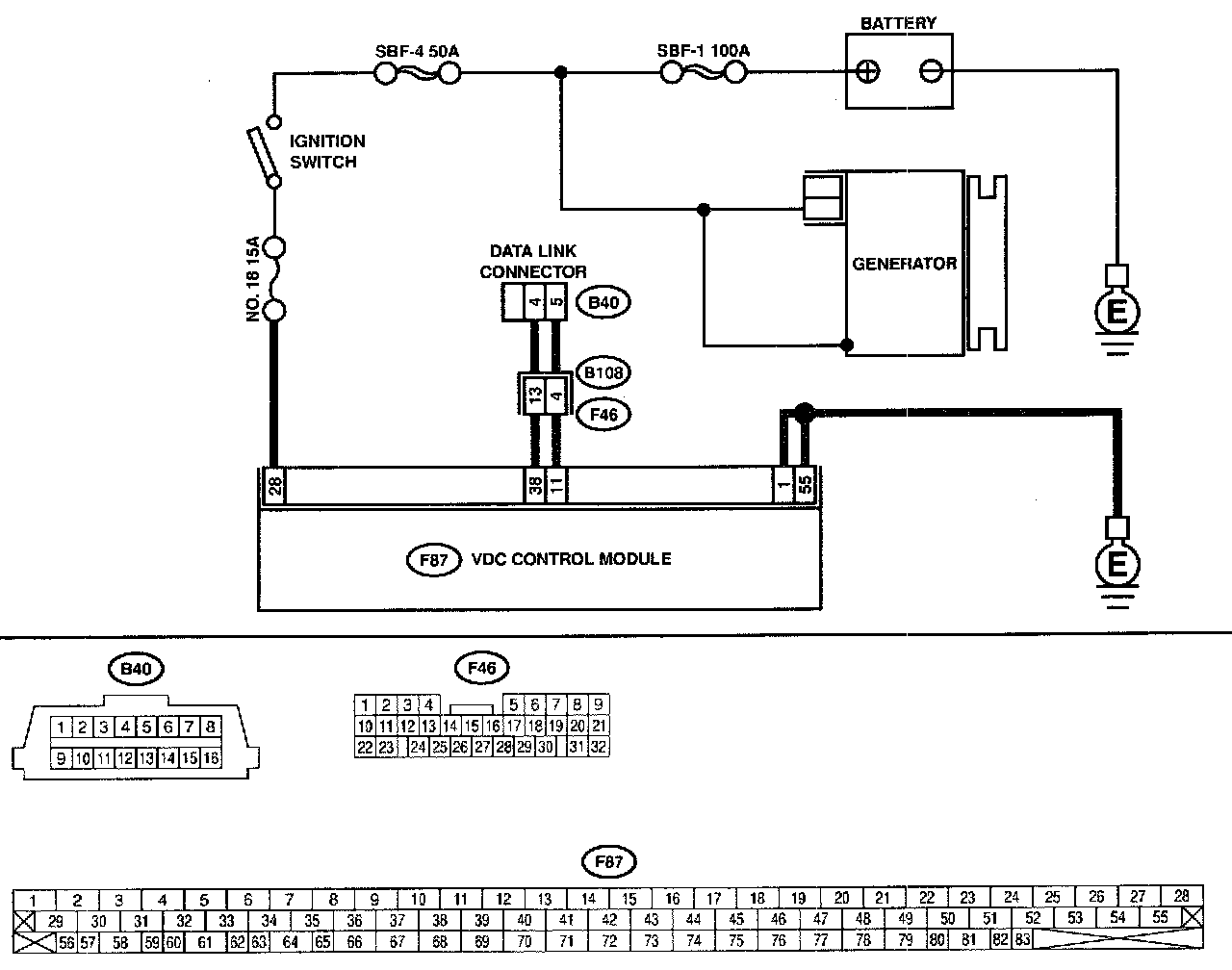
WIRING DIAGRAM:





PROCEDURE: