Anti-Lock Brake System

Need a step-by-step guide?

Get an AI-powered repair guide with parts lists, cost estimates, and clear instructions for your 2002 Subaru.

AI Repair Guides
FEATURE





^ The 5.3i type ABS used in the Legacy has a hydraulic control unit, an ABS control module, a valve relay and a motor relay integrated into a single unit (called "ABSCM & H/U") for circuit simplicity and reduced weight.
^ The ABS electrically controls the brake fluid pressure to each wheel to prevent the wheel from locking during braking on slippery road surfaces, thereby enabling the driver to maintain the directional control.
^ If the ABS becomes inoperative, a fail-safe system is activated to ensure same level of braking performance as with a conventional brake system. In that case, the warning light comes on to indicate that the ABS is malfunctioning.
^ The ABS is a 4-sensor, 4-channel system; the front wheel system is an independent control design*1, while the rear wheel system is a select-low control design*2.
*1: A system which controls the front wheel brakes individually.
*2: A system which applies the same fluid pressure to both the rear wheels if either wheel starts to lock. The pressure is determined based on the lower of the frictional coefficients of both wheels.

FUNCTIONS OF SENSORS AND ACTUATORS





Table





Schematic

PRINCIPLE OF ABS CONTROL





When the brake pedal is depressed during driving, the wheel speed decreases and the vehicle speed does as well. The decrease in the vehicle speed, however, is not always proportional to the decrease in the wheel speed. The non-correspondence between the wheel speed and vehicle speed is called "slip" and the magnitude of the slip is expressed by the "slip ratio" which is defined as follows:
Slip ratio = Vehicle speed - Wheel speed Vehicle speed x 100%
When the slip ratio is 0%, the vehicle speed corresponds exactly to the wheel speed; when it is 100%, the wheels are completely locking (rotating at a zero speed) while the vehicle is moving.
The braking effectiveness is represented by the "coefficient of friction" between the tire and road surface. The larger the coefficient, the higher the braking effectiveness. The diagram below shows the relationship between the coefficient of friction and the slip ratio for two different road surface conditions (asphalt-paved road and icy road), assuming that the same tires are used for both the conditions and the vehicles are moving forward. Although the braking effectiveness (coefficient of friction) depends on the road surface condition as shown and also on the type of the tire, its peak range generally corresponds to the 8 - 30% range of the slip ratio.
The ABS controls the fluid pressure to each wheel so that a coefficient of friction corresponding to this slip ratio range is maintained.

ABS SENSORS





Each of the ABS sensors detects the speed of the corresponding wheel. The sensor consists of a permanent magnet, coil and tone wheel. The magnetic flux produced by the permanent magnet changes as each tooth of the tone wheel (which rotates together with the wheel) passes in front of the magnet's pole piece. The changing magnetic flux induces voltages at a frequency corresponding to the wheel speed.

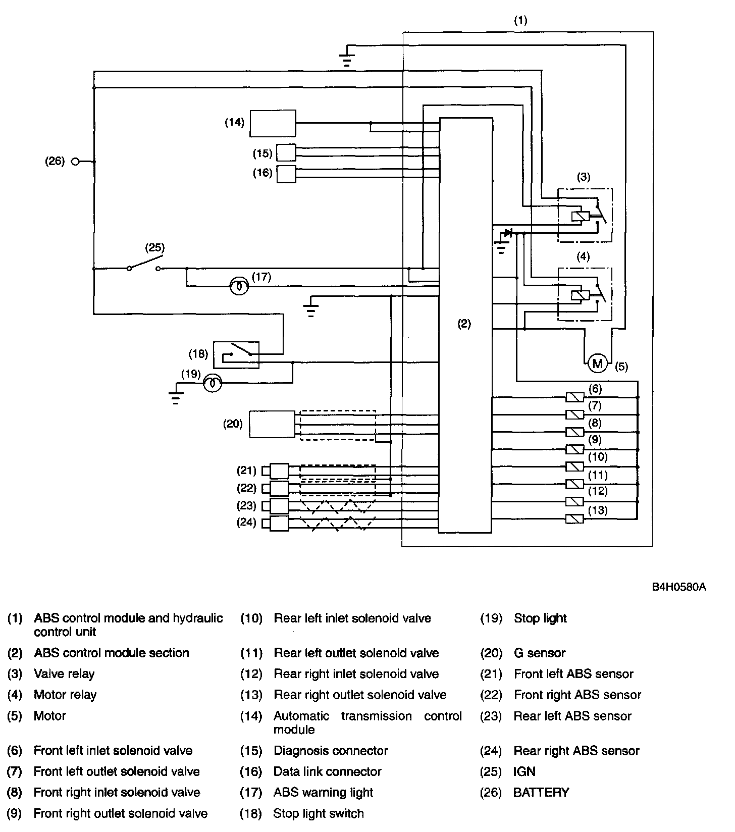
ABS CONTROL MODULE AND HYDRAULIC CONTROL UNIT (ABSCM & H/U)
^ ABS CONTROL MODULE SECTION (ABSCM)
The ABSCM contains two microcontrol modules (MCMs) that complement each other. Both the MCMs process the same program and each MCM monitors the other's outputs. If a mismatch occurs between their outputs, the ABSCM cuts off the system and activate the fail-safe function.
The ABSCM can store a maximum of 3 trouble codes in an EEP ROM. If more than 3 faults have occurred, only the 3 most recent failures are stored and others are erased. Trouble codes remain stored until they are internally or externally erased.
The ABSCM has a test routine (sequence control pattern) which facilitates checking of the hydraulic control unit.

^ ABS control
Using primarily the wheel speed data from each ABS sensor and secondarily the vehicle deceleration rate data from the G sensor as parameters, the ABSCM generates a simulated vehicle speed when there is a risk of wheel lock-up. Using the simulated vehicle speed (called "dummy" vehicle speed) as a reference, the ABSCM determines the state of the wheel in terms of the tendency toward lock-up. If the result shows that the wheels are about to lock, the ABSCM issues commands to energize or de-energize the solenoid valves and activate the motor pump of the H/U to modulate the brake fluid pressures that act on the wheel cylinders, thereby preventing the wheels from locking.
The ABSCM controls the right and left front wheel fluid pressures independently and the rear wheel fluid pressures based on the wheel which is the most likely to lock (select-low control).

^ Functions available using SUBARU select monitor
When the SUBARU select monitor is connected, the ABSCM allows it
^ To read out analog data
^ To read out ON/OFF data
^ To read out or erase trouble code
^ To read out status information in the event of a fault (Freeze frame data)
^ To initiate ABS sequence control pattern

^ Indication functions
Under the control of the ABSCM, the ABS warning light provides the following three indication function:
^ ABS fault alerting
^ Trouble code indication (by flashing in the diagnosis mode)
^ Valve ON/OFF indication (when sequence control pattern is initiated)

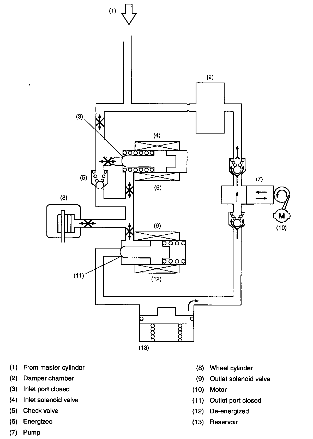
^ HYDRAULIC CONTROL UNIT SECTION (H/U)
The H/U is a fluid pressure controller consisting of, among others, a motor, solenoid valves, a housing and relays. It also constitutes passage of the two diagonally split brake circuits.
^ The pump motor drives an eccentric cam which in turn moves the plunger pump to generate hydraulic pressure.
^ The housing accommodates the pump motor, solenoid valve and reservoir. It also constitutes a brake fluid passage.
^ The plunger pump, when operated, draws the brake fluid from the reservoir, lets the fluid in a wheel cylinder drain into the reservoir, and/or forces the fluid into the master cylinder.
^ The outlet solenoid valve is a 2-position type. It opens or closes the brake fluid passage between a wheel cylinder and the reservoir according to commands from the ABSCM.
^ The inlet solenoid valve is duty-controlled to reduce brake fluid pulsation for minimum ABS operation noise.
^ The reservoir temporarily stores the brake fluid drained from a wheel cylinder when pressure "decrease" control is performed.
^ The damper chamber suppresses brake fluid pulsation which would occur during pressure "decrease" control in the fluid discharged from the plunger pump to minimize kickbacks of the brake pedal.
^ The valve relay controls power supply to the solenoid valves and motor relay in response to a command from the ABSCM. In normal (IG ON) condition, the relay is closed to supply power to the solenoid valves and motor relay. When an error occurs in the system, the valve relay is turned OFF to keep the fluid pressure circuit in the normal mode (non-ABS mode).
^ The motor relay closes and supplies power to the pump motor in response to a command from the ABSCM during the ABS drive mode operations.

The H/U has four operating modes; normal mode (non-ABS mode), and three ABS active modes, i.e., "increase", "hold" and "decrease" modes.

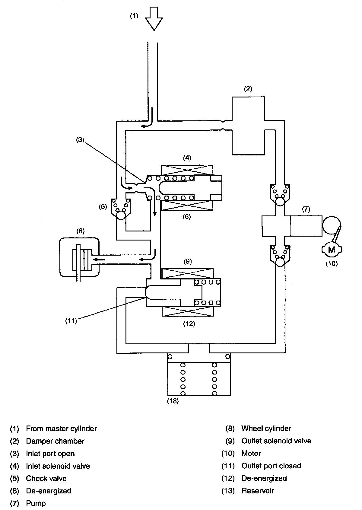
1. DURING NORMAL BRAKING (ABS NOT ACTIVE)





Both the inlet and outlet solenoid valves are not energized. This means that the inlet port of the inlet solenoid valve is open, whereas the outlet port of the outlet solenoid valve is closed. So the fluid pressure generated in the master cylinder is transmitted to the wheel cylinder, producing a brake force.

NOTE: For simplicity of explanation, operation of the hydraulic control unit is represented by operation of a single wheel circuit.

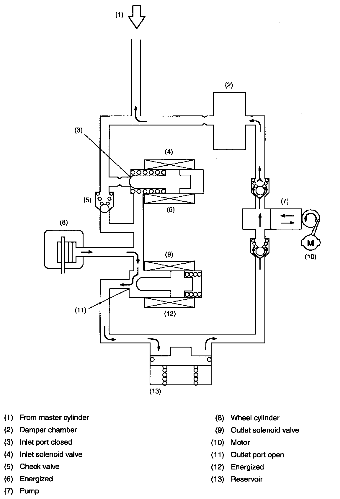
2. PRESSURE "DECREASE" CONTROL (ABS ACTIVE)





Both the inlet and outlet solenoid valves are energized, which means that the inlet port is closed and the outlet port is open.
In this state, the wheel cylinder is isolated from the master cylinder but open to the reservoir, so the brake fluid in it can be drained into the reservoir, decreasing its pressure and reducing the braking force of the wheel.
The brake fluid collected in the reservoir is forced into the master cylinder by the pump.
During this phase of ABS operation, the pump motor continues operating.

NOTE: For simplicity of explanation, operation of the hydraulic control unit is represented by operation of a single wheel circuit.

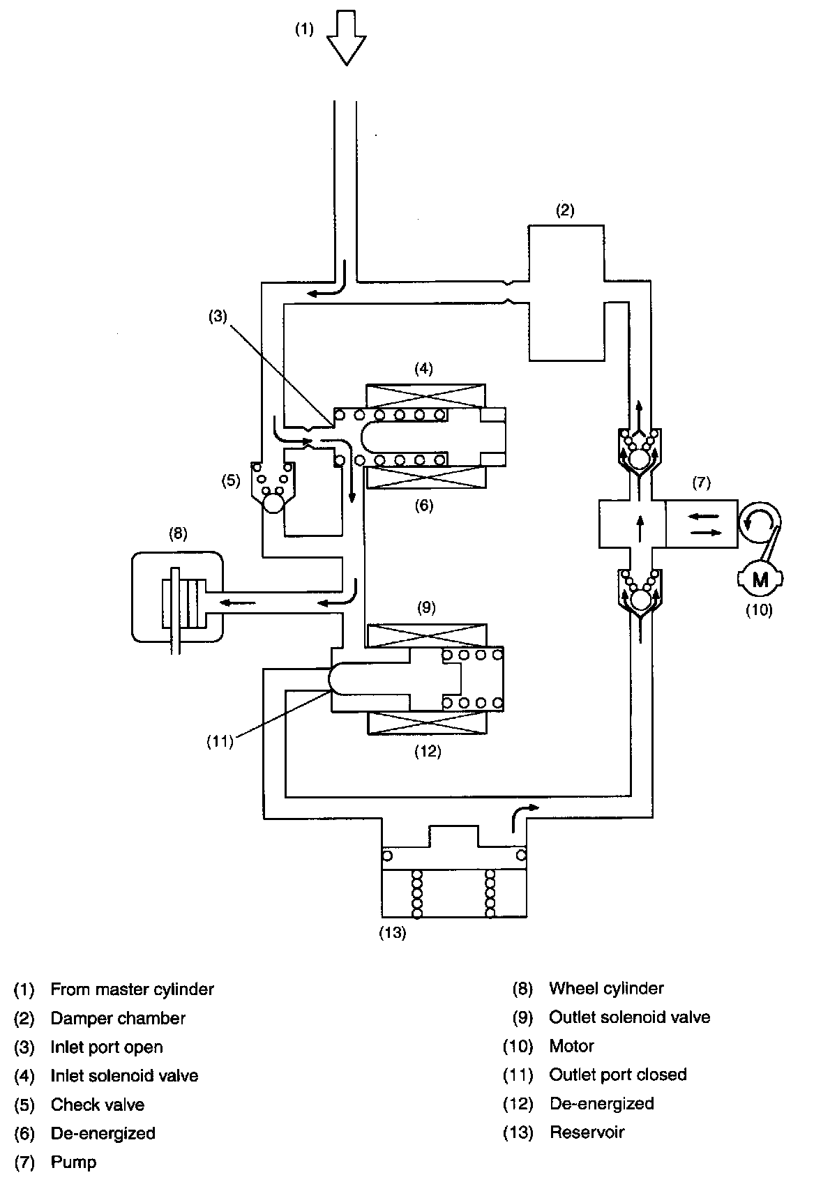
3. PRESSURE "HOLD" CONTROL (ABS ACTIVE)





The inlet solenoid valve is energized, so the inlet port is closed. On the other hand, the outlet solenoid valve is de-energized, so the output port is also closed. In this state, all the passages connecting the wheel cylinder, master cylinder and reservoir are blocked. As a result, the fluid pressure in the wheel cylinder is held unchanged.
During this phase of ABS operation, the pump motor continues operating.

NOTE: For simplicity of explanation, operation of the hydraulic control unit is represented by operation of a single wheel circuit.

4. PRESSURE "INCREASE" CONTROL (ABS ACTIVE)





Both the inlet and outlet solenoid valves are de-energized, which means that the inlet port of the inlet solenoid valve is open, whereas the outlet port of the outlet solenoid valve is closed. So the fluid pressure generated in the master cylinder is transmitted to the wheel cylinder and increased fluid pressure in the wheel cylinder applies the brake with a larger force.
During this phase of ABS operation, the pump motor continues operating.

NOTE: For simplicity of explanation, operation of the hydraulic control unit is represented by operation of a single wheel circuit.

ABS CONTROL CYCLE CURVES





Depressing the brake pedal increases the brake fluid pressure in each wheel cylinder, which in turn decreases the wheel speed (or increases the wheel deceleration rate). When the brake fluid pressure is increased to a level of point "A" of the brake fluid pressure curve in the diagram below (at which the wheel deceleration rate exceeds threshold "-b0"), the ABSCM makes a pressure "hold" control. At the same time, the ABSCM calculates a "dummy" vehicle speed which is a reference speed it uses in the next stage of control.
When the wheel speed then drops below the slip ratio setting, i.e., a speed lower than the "dummy" vehicle speed by the predetermined value (at point "B" of the pressure curve), the ABSCM makes a control to prevent the wheel from locking, or a pressure "decrease" control.
As the wheel cylinder pressure decreases, the wheel speed starts increasing (or the wheel acceleration rate starts rising). When the wheel acceleration rate exceeds threshold "+b10" (at point "C" of the pressure curve), the ABSCM makes a pressure "hold" control. When the wheel acceleration rate exceeds threshold "+b20" (at point "D" of the pressure curve), the ABSCM recognizes that wheel lock-up will not occur and then makes a pressure "increase" control.
When the wheel acceleration rate drops below threshold "+b20", (at point "E" of the pressure curve), the ABSCM starts pressure "hold" and "increase" control cycles at a given interval. When the wheel deceleration rate then exceeds threshold "-b0" (at point "F" of the pressure curve), the ABSCM immediately makes a pressure "decrease" control.

ABS WARNING LIGHT





When a fault occurs in the signal transmission system or the ABSCM, the ABS warning light in the combination meter comes on. At the same time, the current to the hydraulic control unit is interrupted. The brake system then functions in the same manner as a system without ABS. The warning light utilizes a dual circuit design.
If the warning light comes on, one or more trouble codes should be stored in the control module. They must be identified using the warning light's code indicating function.

G SENSOR





The G sensor detects changes in the vehicle's acceleration/deceleration rate in the longitudinal direction. The moving electrode of a capacitor in the sensor moves away from or close to the fixed electrode as the vehicle accelerates or decelerates and the resulting change in the capacitance of the capacitor is outputs to the ABSCM as a change in the voltage.