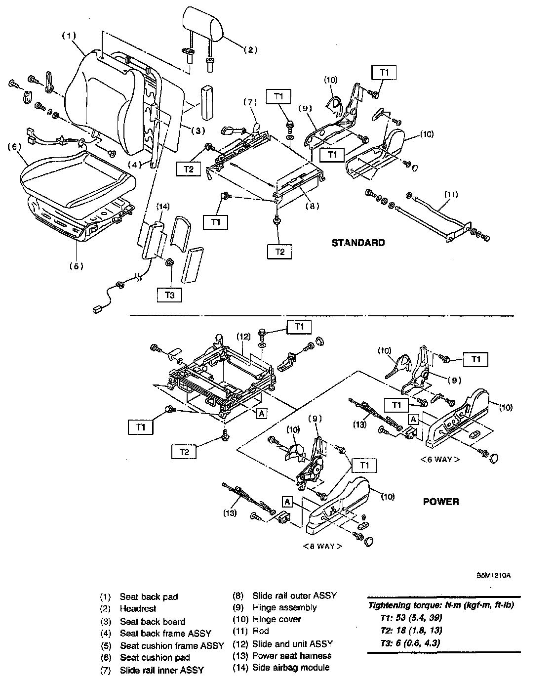
Front Seat

Need a step-by-step guide?

Get an AI-powered repair guide with parts lists, cost estimates, and clear instructions for your 2002 Subaru.

AI Repair Guides
FRONT SEAT

Front Seat:






REMOVAL

1. STANDARD

1. Disconnect battery ground cable.
2. While pressing headrest lock button, remove headrest.






3. Tilt forward backrest.
4. Move seat to full front end.
5. Remove bolt cover at rear end of slide rail.






6. Disconnect side airbag connector under the seat. (Side airbag equipped vehicle)
7. Disconnect connectors of seat heater and seat belt warning. (Seat heater equipped vehicle)
8. Remove two bolts at rear side of seat rail.






9. Move seat to full rear end.
10. Remove two bolts at front side of seat rail.






11. Remove front seat from vehicle.

CAUTION: When removing seat form vehicle, take care not to damage body, seat, or trim.

2. POWER

1. While pressing headrest lock button, remove headrest.






2. Tilt forward backrest.
3. Move seat to full front end.
4. Remove bolt cover at rear end of slide rail.






5. Remove two bolts at rear side of seat rail.






6. Move seat to full rear end.
7. Remove two bolts at front side of seat rail.






8. Disconnect battery (-) terminal.

CAUTION:
- Wait for 20 seconds or more after disconnecting the batter
- The air bag system has a backup power source. The air bag might deploy if you do not wait for 20 seconds or more before starting.


9. Disconnect side airbag connector under the seat. (Side airbag equipped vehicle)
10. Disconnect connectors of seat heater and seat belt warning. (Seat heater equipped vehicle)






11. Remove front seat from vehicle.

CAUTION: When removing seat form vehicle, take care not to damage body, seat, or trim.

INSTALLATION

1. STANDARD

1. Install in the reverse order of removal.
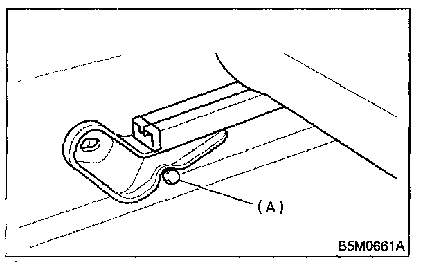
2. Place slide rail rear inner on location bolts (A).






3. Tighten the four bolts of slide rail.

CAUTION: Confirm that seat can move smoothly and be locked securely at any position.

2. POWER

1. Install in the reverse order of removal.
2. Place slide rail rear inner on location bolts (A).






3. Tighten the four bolts of slide rail.

CAUTION: Confirm that seat can move smoothly.