Torque Specifications

Need a step-by-step guide?

Get an AI-powered repair guide with parts lists, cost estimates, and clear instructions for your 1998 Subaru.

AI Repair Guides
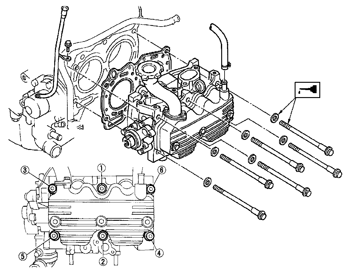
CYLINDER HEAD BOLT TORQUE/SEQUENCE





Note: Apply a coat of engine oil to washers and bolt threads.

1. Tighten all bolts to 29 N.m (3.0 kg-m, 22 ft-lb) in numerical order.
2. Then tighten all bolts to 69 N.m (7.0 kg-m, 51 ft-lb) in numerical order.
3. Back off all bolts by 180° first; back them off by 180° again.
4. Tighten bolts (1) and (2) to 34 N.m (3.5 kg-m, 25 ft-lb).
5. Tighten bolts (3), (4), (5) and (6) to 15 N.m (1.5 kg-m, 11 ft-lb).
6. Tighten all bolts by 80° to 90° in numerical sequence.

CAUTION: Do not tighten bolts more than 90°.

7. Further tighten all bolts by 80° to 90° in numerical sequence.

CAUTION: Ensure that the total "re-tightening angle" does not exceed 180°.