Check 1 Range Switch

Need a step-by-step guide?

Get an AI-powered repair guide with parts lists, cost estimates, and clear instructions for your 1998 Subaru.

AI Repair Guides
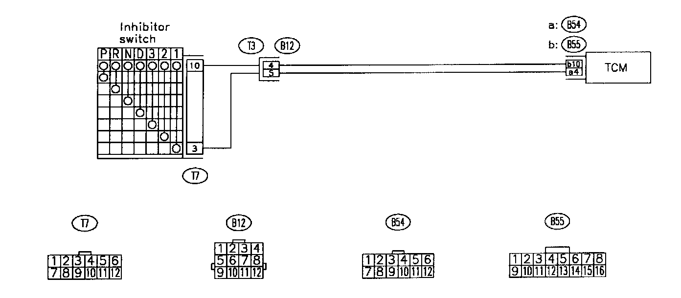
CHECK "1" RANGE SWITCH














Diagnosis:
Input signal circuit of "1" range is open or shorted.
Trouble Symptom:
- Shift characteristics are erroneous.
- Engine brake is not effected when selector lever is in "1" range.





Wiring Diagram: