Engine Control Module: Testing and Inspection

Need a step-by-step guide?

Get an AI-powered repair guide with parts lists, cost estimates, and clear instructions for your 1990 Subaru.

AI Repair Guides

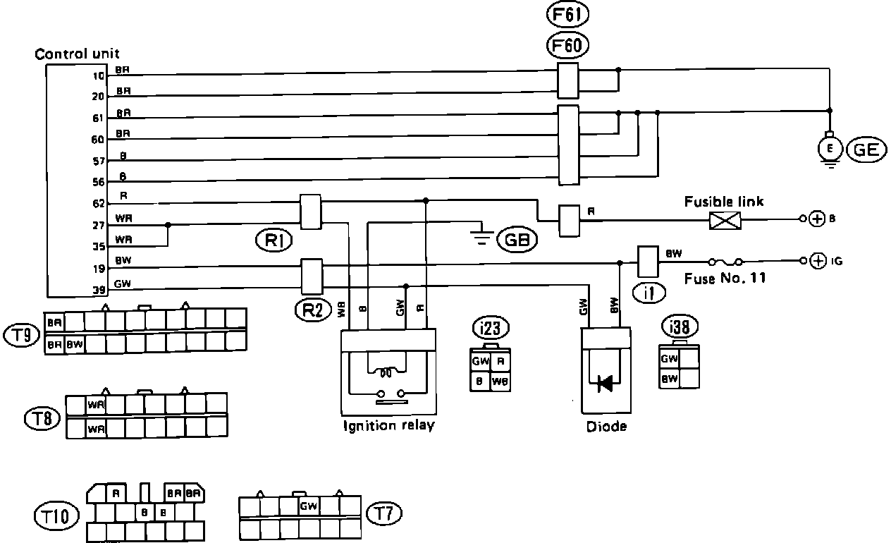
Power And Ground Supply Circuit:





NOTE: Never connect or disconnect the control unit or any sensors with the ignition "ON" unless specifically instructed to do so by a test procedure. Failure to follow this precaution could result in damage to electronic components.

While there is no specific test for the ECU, nor does it set a trouble code if a fault occurs in its own circuitry, many of the component tests lead to the control unit if no other problems are detected.

Apparent ECU problems can result from power supply and ground circuit problems. Therefore, these should be checked if a faulty ECU is suspected.

Power And Ground Supply Diagnostic Chart:





ECU POWER AND GROUND SUPPLY CHECK

Wire color code identification:

L: Blue
B: Black
Y: Yellow
G: Green
R: Red
W: White
Br: Brown
Lg: Light green
Gr: Gray

ECU Connector Table:





ECU CONNECTOR TABLE