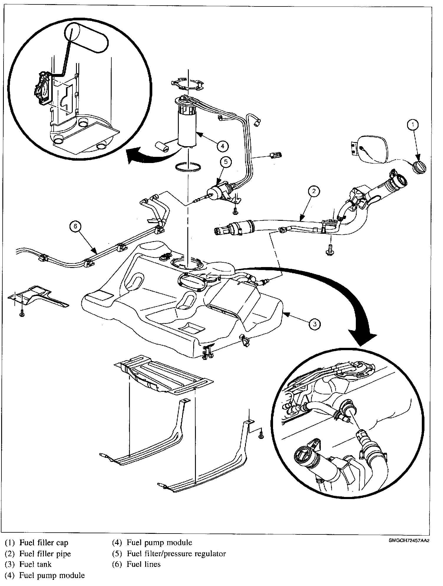
Fuel Supply System

Need a step-by-step guide?

Get an AI-powered repair guide with parts lists, cost estimates, and clear instructions for your 2002 Saturn.

AI Repair Guides
All new Saturn vehicles are certified by the United States Environmental Protection Agency (EPA) as conforming to the requirements of the regulations for the control of air pollution from new motor vehicles. This certification is contingent on certain adjustments being set to factory standards. In most cases, these adjustment points have been either permanently sealed and/or made inaccessible to prevent indiscriminate or routine adjustments in the field. For this reason, the factory procedure for temporarily removing plugs, caps, etc., for purposes of servicing the product must be strictly followed and, wherever practical, returned to the original intent of this design.

Locations View:




The Saturn fuel system is made up of the components involved in the dispensing, storage, and delivery of gasoline to the engine.