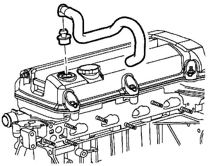
An engine that is operated without any crankcase ventilation can be damaged. Therefore, it is important to replace the PCV valve when it fails a diagnostic check. It must be replaced with the correct part number valve. Also, inspect the hoses and clamps for deterioration, along with the grommet that holds the PCV valve, and replace as needed.
Replacement
Need a step-by-step guide?
Get an AI-powered repair guide with parts lists, cost estimates, and clear instructions for your 2002 Saturn.
An engine that is operated without any crankcase ventilation can be damaged. Therefore, it is important to replace the PCV valve when it fails a diagnostic check. It must be replaced with the correct part number valve. Also, inspect the hoses and clamps for deterioration, along with the grommet that holds the PCV valve, and replace as needed.