Removal

Need a step-by-step guide?

Get an AI-powered repair guide with parts lists, cost estimates, and clear instructions for your 2002 Saturn.

AI Repair Guides
FRAME

^ TOOLS REQUIRED
- SA9105E Engine Support Bar Assembly
- SA9132S Lower Control Arm Ball Stud Separator

REMOVAL





1. Loosen clamp at throttle body assembly.
2. Disconnect fresh air hose at cam cover.
3. Remove air cleaner housing cover and clean air inlet tube.
4. Disconnect electrical connector at the Intake Air Temperature (IAT) sensor.
5. Remove plastic fasteners at top of resonator and remove resonator.
6. Remove the three air box fasteners and remove assembly.





7. Remove transaxle strut-to-midrail bolt.





8. Secure the cooling module to the body structure. A good method is to tie the fan mounting bracket to the body tie bar.

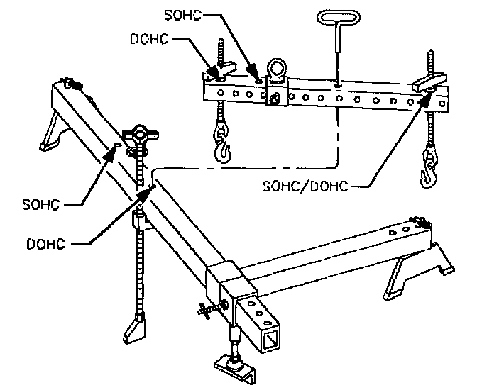
IMPORTANT: The two cross bars on the engine support fixture have two settings, one for the SOHC (L24) and one for the DOHC (LL0) engine. The setting locations are marked on the bar and shown in the illustration. Make sure the attachment pin and hooks are installed in the proper location to prevent damage.





9. Install Engine Support Bar Assembly SA9105E (or equivalent).
9.1. Assemble support bar.





9.2. Place engine support bar in vehicle as shown. Place the support bar feet on the outer edge of the shock tower.





9.3. Connect bar hooks to engine support brackets.
9.4. Position stabilizer foot on engine block to the right of the engine oil dipstick.
9.5. Adjust hooks and stabilizer to remove looseness.

CAUTION: MAKE SURE VEHICLE IS PROPERLY SUPPORTED AND SQUARELY POSITIONED ON HOIST. TO HELP AVOID PERSONAL INJURY, PROVIDE ADDITIONAL SUPPORT TO THE OPPOSITE END OF THE VEHICLE THAT COMPONENTS WILL BE REMOVED FROM.

10. Raise vehicle on hoist.
11. Remove front wheels.

IMPORTANT: For left side, remove front section of shield first, then rear. For right side, remove rear section of shield first, then front.

IMPORTANT: If molded-in fasteners are damaged or broken, drill out with a 5/16 in. bit and replace with a push pin.





12. Remove left and right side splash shields.
12.1. Remove two push pins.
12.2. Remove lower shield to frame molded-in fasteners at frame by gently prying at three fastener locations.





13. For coupes, remove left and right lower fascia braces.





14. Remove front air dam from vehicle.





15. Remove engine strut frame bracket-to-frame fasteners.





16. Remove and discard lower control arm ball stud cotter pins.
17. Loosen, but do not remove, ball stud castle nuts.

NOTICE: Do not attempt to separate the joint using a wedge-type tool because seal may be damaged.

NOTICE: On ABS equipped vehicles, the outer CV joint has a speed sensor ring. Using the incorrect tool or procedure to separate the control arm from the knuckle can damage the ring, resulting in a loss of ABS operation. Even minor scratching of speed sensor ring may result in a loss of ABS operation.





18. Using Lower Control Arm Ball Stud Separator SA9132S (or equivalent), separate lower control arms from steering knuckles.

IMPORTANT: It will be necessary to pull down on lower control arm to allow removal of castle nuts.

19. Remove lower control arm ball stud castle nuts.





20. Remove transaxle mount-to-frame fastener.





21. Remove front exhaust pipe-to-manifold fasteners.





22. Remove front exhaust Pipe-to-Catalytic converter fasteners.
23. Remove exhaust pipe support bracket-to-exhaust pipe fasteners.
24. Remove front exhaust pipe from vehicle.





25. Support steering gear with mechanics wire.
26. Remove steering gear to frame fasteners (power steering gear shown, manual similar).





27. Remove brake pipe bracket push pin at rear of frame.





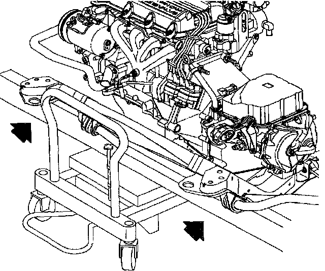
28. Use the powertrain support dolly and two 4 inch x 4 inch x 36 inch pieces of lumber to support the frame on the dolly.





29. Remove four frame-to-body attachment fasteners.
30. Carefully remove frame from vehicle.