Ignition Module Assembly - No Key Available - Removal

Need a step-by-step guide?

Get an AI-powered repair guide with parts lists, cost estimates, and clear instructions for your 1998 Saturn.

AI Repair Guides
REMOVAL

NOTICE: Cover driver seat to protect seat trim.

1. Disable the SIR system.




2. Remove SIR coil assembly.

IMPORTANT: Protect front of console from being damaged by steering column filler panel.





3. Loosen screws holding data link connector near the bottom of steering column filler panel assembly. Remove screws from steering column filler panel. Pull steering column filler panel assembly forward and set down.





4. Disconnect cable from filler panel. Pull hood release handle forward. Feed cable under hood release handle and slide pin out. Remove steering column filler panel.





5. Remove connector position assurance (CPA) device and disconnect connectors from lever control switch.
6. With SIR system disabled, remove lever control switch.
7. Disconnect ignition switch electrical connector at right steering column upper support bracket.
8. On vehicles with automatic transmissions, disconnect park lock cable from ignition module.
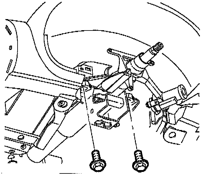
9. Remove bolt from [1][2]intermediate shaft and disconnect shaft from column.
10. Remove steering column lower support bracket nuts and bolts.




11. Remove steering column upper support bracket bolts and lower column.
12. Disconnect harness clamps from steering column.
13. Remove steering column from vehicle.
14. Position steering column in a vise at the upper bracket. Using a center punch, mark the center of the shear bolts on ignition module assembly.





15. Drill a small hole (1/8 in. drill bit) in the shear bolts at the center mark. Remove the shear bolts with a screw extractor, and remove the ignition module assembly from the column.