Generator

Need a step-by-step guide?

Get an AI-powered repair guide with parts lists, cost estimates, and clear instructions for your 1998 Saturn.

AI Repair Guides

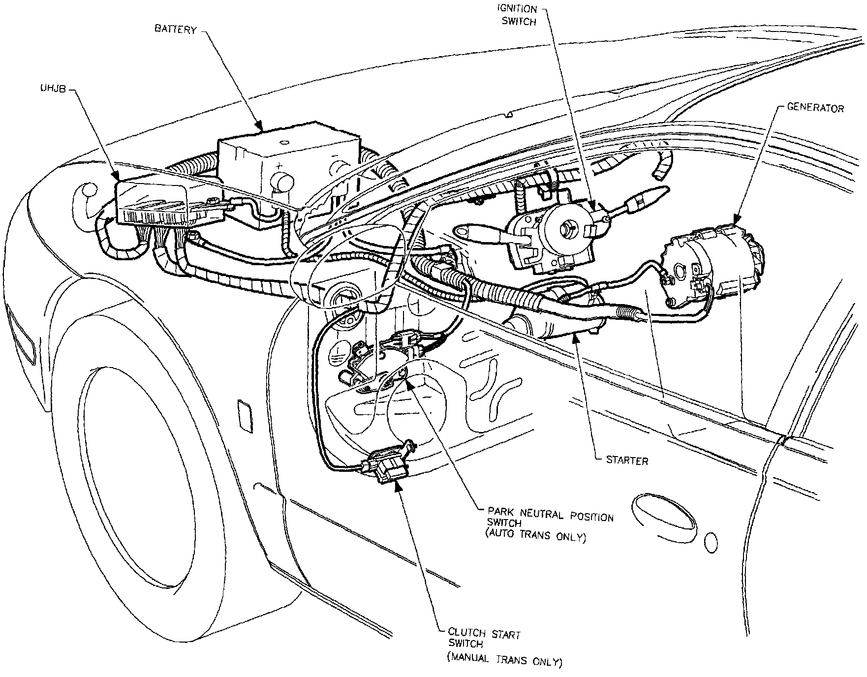
Battery System Component Location:




Ignition Switch System Component Location:




Battery:




Generator:




Starter:




Instrument Cluster Telltales And Signal Inputs Component Location:




Instrument Cluster Telltales And Signal Inputs Component Location: