No Scan Tool Data

Need a step-by-step guide?

Get an AI-powered repair guide with parts lists, cost estimates, and clear instructions for your 1998 Saturn.

AI Repair Guides








NO SCAN TOOL DATA
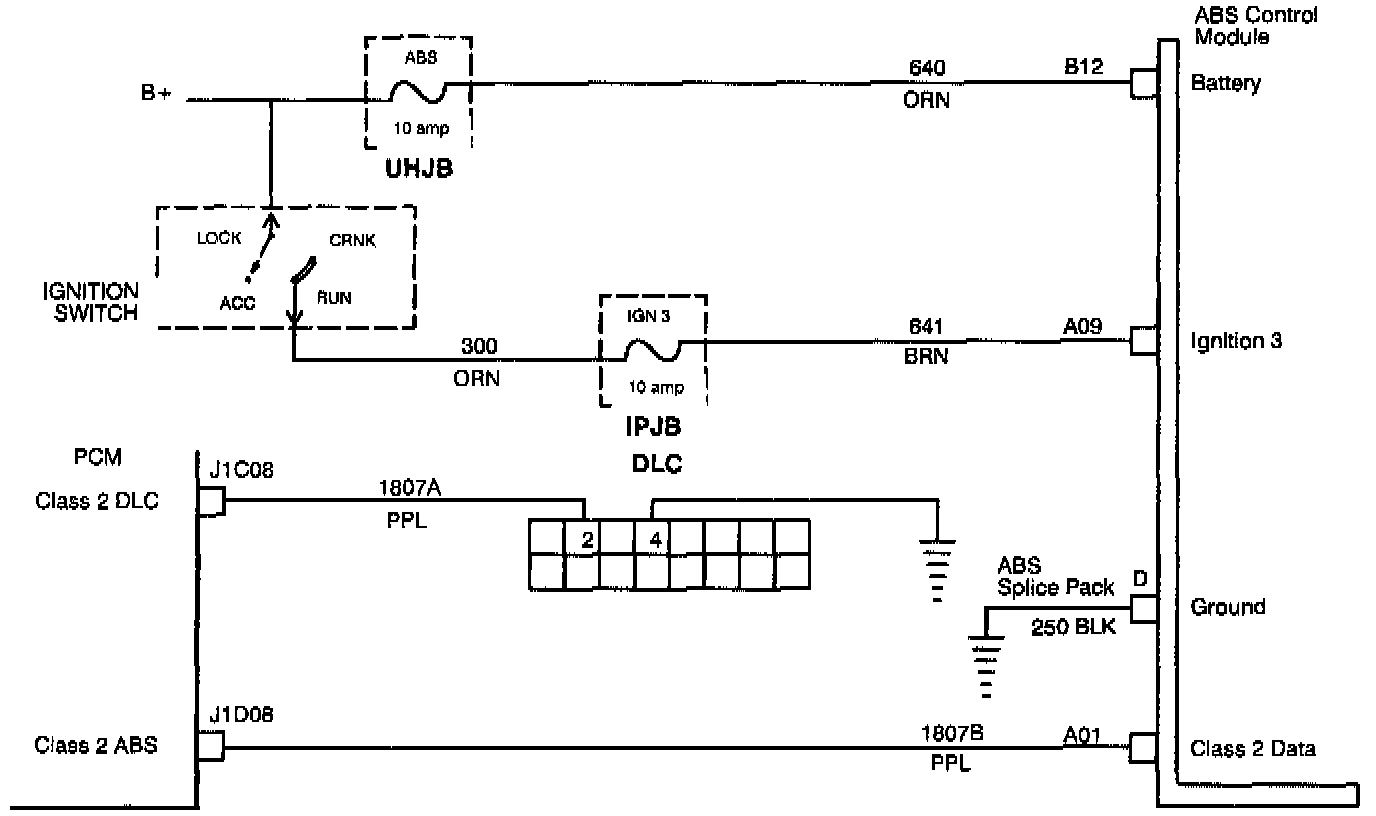
Off board diagnostics should be able to communicate with the ABS control module whenever the key is in the ON or RUN position. The ABS control module does not flash codes, so a Scan tool must be used to view serial data information.

DIAGNOSTIC AIDS
If the Scan tool cannot communicate with the ABS control module or the PCM, check the data link connector (DLC) ground circuit for an open.

Check the DLC terminals for tightness.

Check Scan tool connector pins for damage.

Verify proper operation of Scan tool on a proper operating vehicle.

Check ABS ground and communication from DLC.