General Assembly

Need a step-by-step guide?

Get an AI-powered repair guide with parts lists, cost estimates, and clear instructions for your 1996 Saturn.

AI Repair Guides




1. Clean input shaft (QUILL) bearing and apply a small amount of Loctite(R) 620 Retaining Compound Adhesive (P/N 21005996) or equivalent to the outer diameter of the bearing.
2. Press in the input shaft (QUILL) bearing using SA9118T.

IMPORTANT: Loctite(R) 620 Retaining Compound Adhesive (P/N 21005996) or equivalent must be applied to the input shaft (QUILL) bearing prior to pressing it into the clutch housing.

3. Install filter and use a small punch to stake filter in place.

IMPORTANT: Make sure that the anti-rotation slot on the oil baffle plate lines up with the notch in the clutch housing.

4. Install oil baffle plate. Make sure it sets flat in the bore.





5. Install the two case-to-housing dowel pins into the clutch housing. A bolt may be used to pull the dowels into the housing.

NOTICE: The clutch housing must be supported from underneath when pressing in the output shaft bearing. If the clutch housing is not supported, the housing may collapse.

6. Install press fixture tool SA9129T with manual transaxle adapter pad 216916 and adjust to housing. After bolting to housing, tighten up the large center screw until adapter pad is snug against the housing.
7. Press in output shaft (roller) bearing. Bearing surface with marking should face the installer.
8. Install output shaft bearing retaining ring.





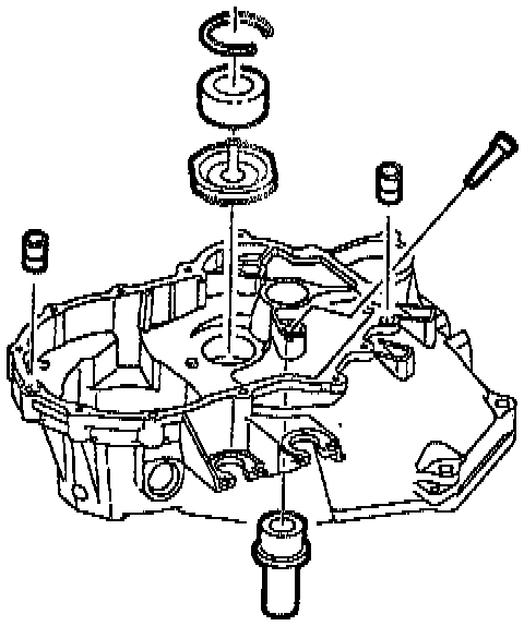
9. Tap reverse idler gear shaft roll pin into reverse idler gear shaft and install into clutch housing.
10. Install reverse idler gear assembly on idler shaft.
11. Install reverse shift lever assembly with the reverse idler gear setting in the fork part of the lever.

IMPORTANT: Clean bolt threads and holes and apply Loctite(R) 242 Threadlocker (P/N 21485277) or equivalent to bolts.

12. Install the two retaining bolts and torque.
- Torque: 14 N.m (124 inch lbs).





13. Install transaxle magnet.
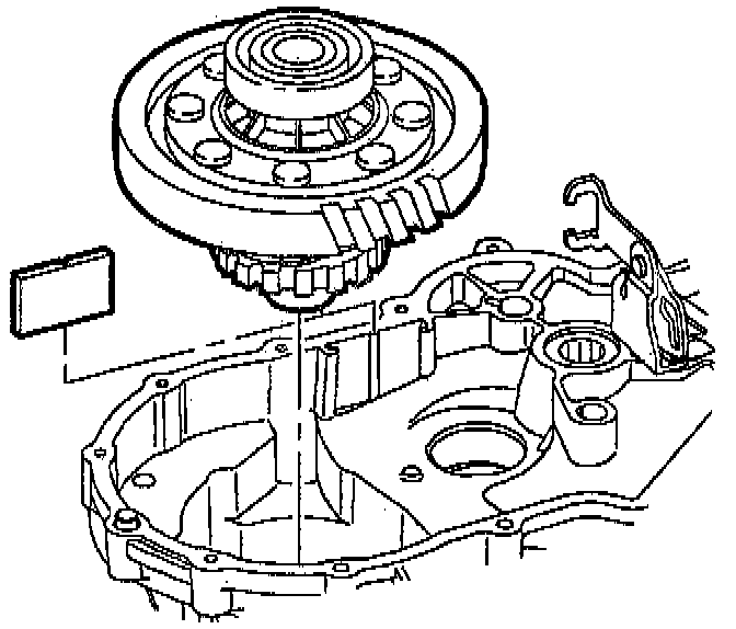
14. Install the differential assembly into housing. Lube bearing outer race and lower into housing. If bearing cocks in bore, it may take some working back and forth to seat bearing.





15. Install input and output shafts. Lift shafts and mesh gears together. Lower the shafts together and rotate back and forth to align with differential ring gear and start the output shaft in its bearing.





16. Place the 1st/2nd shift fork into the 1st/2nd synchronizer sleeve and the 3rd/4th fork into the 3rd/4th synchronizer sleeve.
17. Insert the 5th1Reverse actuator rod into the slot in the reverse shift lever.





18. Align the shift fork shaft hole in the shift forks and the 5th/Reverse actuator. Install the shift fork shaft through the forks with shaft retaining ring groove up.
19. Make sure the actuator rod is still in the reverse shift lever. Hold the 5th/Reverse actuator in position to expose the snap ring groove on each end of the actuator. Install the 5th/Reverse actuator retainer.

NOTICE: Carefully align retainer to grooves in shift shaft. If the retainer is not properly aligned during installation, it will be bent and must be replaced with a new retainer. Always use a new retainer.





20. Install oil trough in pocket of clutch housing next to reverse shift lever.
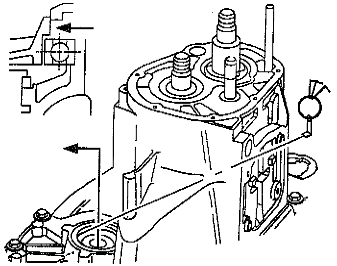
21. Be sure transaxle case and clutch housing surfaces are clean and dry.








22. Apply a bead of sealant Loctite(R) 515 Gasket Eliminator Sealant (P/N 21005993) or equivalent, 1 - 3 mm (0.039 - 0.118 in.) wide down the center of the mating flange on the clutch housing as shown.

IMPORTANT: The sealant bead path must go completely around the five bolt holes near the differential ring gear.





23. Lubricate differential and shaft ball bearings, shift fork shaft, and reverse idler shaft.
24. Lower transaxle case onto clutch housing. Spread the input and output bearing snap rings to allow-the rings to slide over the bearings. Seat the case to the clutch housing.





IMPORTANT: Clean and lubricate fastener with Transaxle Fluid. Wipe off excess fluid and install.

25. Install the case to clutch housing bolts and torque. Check that shafts spin freely as bolts are being torqued.
- Torque: 28 N.m. (21 ft. lbs.).
26. Install a used shaft nut on input shaft and use a screwdriver to pry the shaft upward to seat the snap rings. Remove nut and repeat the procedure on the output shaft.





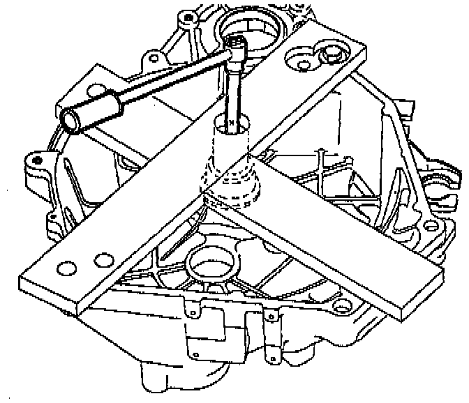
27. Using tool SA9112T (differential end play gauge tool), measure the differential end play on the case side differential bearing. The differential end play is set to zero by using the largest end play gauge that will fit between the bearing and the case. Use a selective snap ring of the same thickness.
28. Install differential selective ring into housing on top of differential ball bearing and make sure it sets into the groove.





29. Apply a light coat of Loctite09 sealant 515 Gasket Eliminator Sealant (P/N 21005993) or equivalent, to the area of the seal that: presses into the case and install left (case side) axle seal using tool SA9113T and SA9172G.
30. Install snap ring so that the snap ring opening is easily accessible.





31. Move two shift forks to lock transaxle in two gears at the same time.
32. Install the 5th driven gear. If the 5th driven gear does not easily install on to the output shaft, refer to "5th Driven Gear-Press Fit Installation" procedures in this manual.

IMPORTANT: The 5th driven gear is press fit on the input shaft:
a. Place the 5th driven gear on the output shaft engaging the splines.
b. Thread the 5th driven gear installer, SA9211T-1 onto the output shaft until it is snug. (5th/Reverse hub shown, 5th driven gear similar.)

IMPORTANT: Before installing the 5th driven gear installer SA9211T-1, make sure that the nut is backed off all the way on the forcing screw.

c. Tighten the nut on the forcing screw until the 5th driven gear has been seated.

33. Remove old output shaft nut, install new output shaft nut and torque. Be sure shaft threads are clean.
- Torque: 150 N.m (111 ft. lbs.).
34. Install the 5th gear thrust washer (if not already installed).
35. Install the 5th gear bearing race (if not already installed).
36. Install the 5th drive gear bearing.
37. Install the 5th drive gear.
38. Install the 5th gear synchronizer blocker ring to 5th gear.





39. Install the 5th gear synchronizer spring to 5th synchronizer.

IMPORTANT: When installing synchronizer hub-and sleeve, make sure alignment marks face up.

40. Install the 5th/reverse hub to the input shaft. If the 5th/reverse hub does easily install onto the input shaft refer to "5th Driven Gear-Press Fit Installation" procedures.

IMPORTANT: If the 5th/Reverse hub is press fit on the input shaft:

a. Place the 5th/Reverse hub on the input shaft engaging the splines.
b. Thread the 5th driven gear installer, SA9211T-1 onto the input shaft until it is snug.

IMPORTANT: Before installing the 5th driven gear installer SA9211T-1, make sure that the nut is backed off all the way on the forcing screw.





c. Tighten the nut on the forcing screw until the 5th/Reverse hub has been seated.

IMPORTANT: Be sure tabs on blocker ring are aligned with slots on hub (3rd / 4th synchronizer shown, 5th synchronizer similar).

41. Slide the 5th/Reverse fork over the 5th/Reverse synchronizer sleeve and install the sleeve onto the hub and fork onto the shift fork shaft at the same time.

IMPORTANT: Be sure tabs on blocker ring are aligned with slots on hub (3rd/4th synchronizer shown, 5th synchronizer similar).

42. Install the 5th/Reverse fork retainer.

IMPORTANT: This may be a one piece or two piece retainer. The manual transaxle service kit contains both. Use the ones that retain the fork the tightest.





IMPORTANT: Always use new retainers.

43. Install the synchronizer spring to the reverse blocker and install the assembly to the 5th/Reverse sleeve.
44. Install the reverse cone and thrust washer.
45. Remove old input shaft nut and install new input shaft nut and torque. Be sure shaft threads are clean.
- Torque: 150 N.m (111 ft. lbs.).
46. Unlock the shafts by lining up the shift forks to the neutral gate.
47. Turn the reverse cone so the slots align the cone to the rear cover.





48. Install the shift housing gasket to case.
49. Install the shift housing assembly on case.

IMPORTANT: Clean and lubricate fastener with Transaxle Fluid. Wipe off excess fluid and install.

- Torque: 28 N.m (21 ft. lbs.).

NOTICE: Make sure the shift housing is completely down on case before installing bolts. Torquing bolts on a misaligned housing will damage the case.

50. Before continuing, check to make sure all gears will synchronize.





51. Install rear cover gasket.

IMPORTANT: Clean and lubricate fastener with Transaxle Fluid. Wipe off excess fluid and install.

52. Install rear cover and install bolts and torque using crisscross pattern.
- Torque: 12 N.m (106 inch lbs).





53. Install vehicle speed sensor and torque.
- Torque: 26 N.m (19 ft. lbs.).
54. Install transaxle drain plug.

IMPORTANT: Clean and lubricate fastener with Transaxle Fluid. Wipe off excess fluid and install.

- Torque: 30 N.m (22 ft. lbs.).
55. Apply a light coat of Loctite(R) 515 Gasket Eliminator Sealant (P/N 21005993) or equivalent to the area of the seal that presses into the housing and install the right (clutch housing side) axle seal using tool SA9113T.





56. Install clutch fork stabilizer and ball stud in clutch housing, if removed. The hole for the ball stud is located to the lower left of the output shaft. Torque ball stud.
- Torque: 24 N.m (18 ft. lbs.).
57. Install the clutch fork retainer to the clutch fork.
58. Insert clutch release bearing into clutch fork.

IMPORTANT: Do not grease the clutch release bearing or bearing quill.

59. Lube the fork pivot with high temperature grease (P/N 21005995) or equivalent and install the fork and bearing assembly. Snap the fork retainer over ball stud.
60. Place a light film of high temperature grease (P/N 21005995) or equivalent on the input shaft spline.

NOTICE: Excessive amounts of grease on the input shaft splices can contaminate the clutch disc and cause clutch shudder.