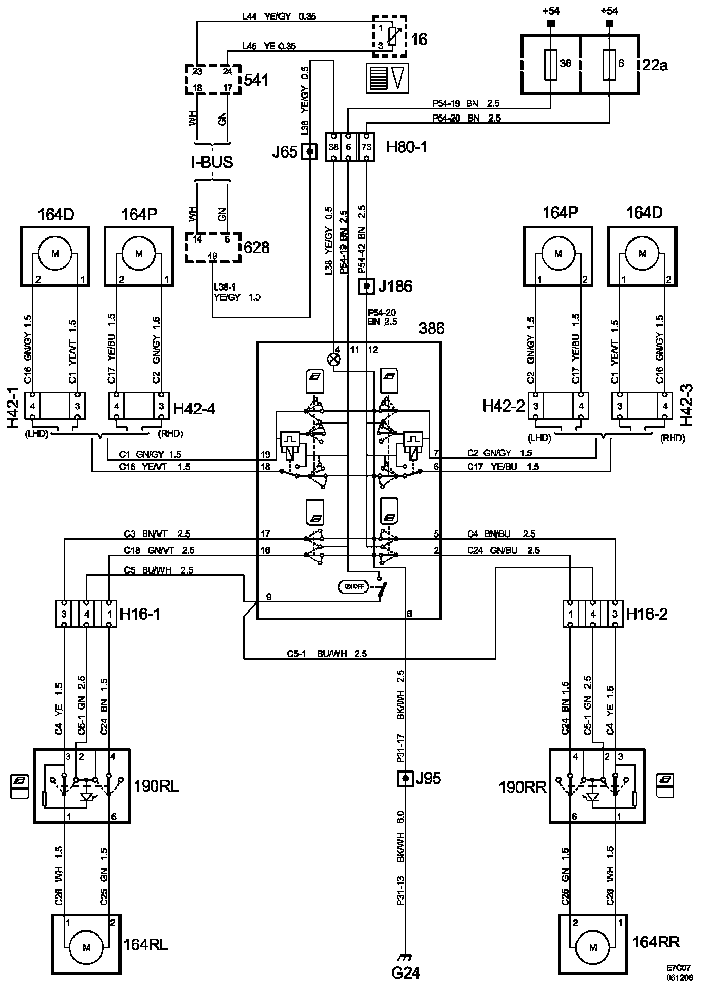
Electric Window Lifts
Windows: Locations
Need a step-by-step guide?
Get an AI-powered repair guide with parts lists, cost estimates, and clear instructions for your 2004 Saab.
Electric Window Lifts
Need a step-by-step guide?
Get an AI-powered repair guide with parts lists, cost estimates, and clear instructions for your 2004 Saab.