Control Module

Need a step-by-step guide?

Get an AI-powered repair guide with parts lists, cost estimates, and clear instructions for your 2004 Saab.

AI Repair Guides


Control Module







The control module is built into the ACC unit and is activated by +15 or the parking heater input. When the control module is active this can be noticed by the background lighting being on and the diagnostic communication being possible. After the control module has been activated from +15 it can adopt the following conditions:

Engine stationary
If the engine is stationary, there is no coolant circulating through the heat exchanger, the A/C compressor is stationary and the generator is not charging. This means that the system cannot regulate the climate, that the system should not consume current unnecessarily and that there is a risk that a stepping motor may miss a step due to low battery voltage if the starter motor should be engaged. For these reasons, the control module selects rear window heating off, fan current 0 A, air recirculation off and all stepping motors off. (Manual adjustment is possible)

Engine running
As soon as the engine has started, the control module regulates all functions automatically.

Ignition OFF
When the ignition is turned off, the display goes out: no buttons work, all the stepping motors are turned off and air recirculation off is selected after 10 seconds. Diagnostics communication remains active if it was active when the ignition was turned off, but it cannot be restarted.

When approximately 8 minutes has passed, the air distribution damper moves to the floor position, 50% during cold weather and to ventilation position 0% during hot weather. The air-blending flap moves to max. cold position 0%. After 10 minutes the ACC control module moves down in energy-saving mode and the processor activates briefly every 4 minutes. This will continue for a further 110 minutes. Within this time (2 hours) the ACC control module can read the parameters and calculate the conditions for a good environment in the car's cabin.

If the ignition is switched on within these 120 minutes the control module will keep the manual options that may have been selected during the previous operation.

After 120 minutes the control module starts in AUTO mode or without user programmed mode.

Warm start
If the ignition is switched on after having been switched off for a time shorter than 120 minutes then the start is counted as a warm start.

Cold start
If the ignition is switched on after 120 minutes then the start is counted as a cold start.

Programming
A number of parameters must be programmed when changing the ACC unit.

Diagnostics
In the event an internal fault in the control module, diagnostic trouble code B1605 is generated

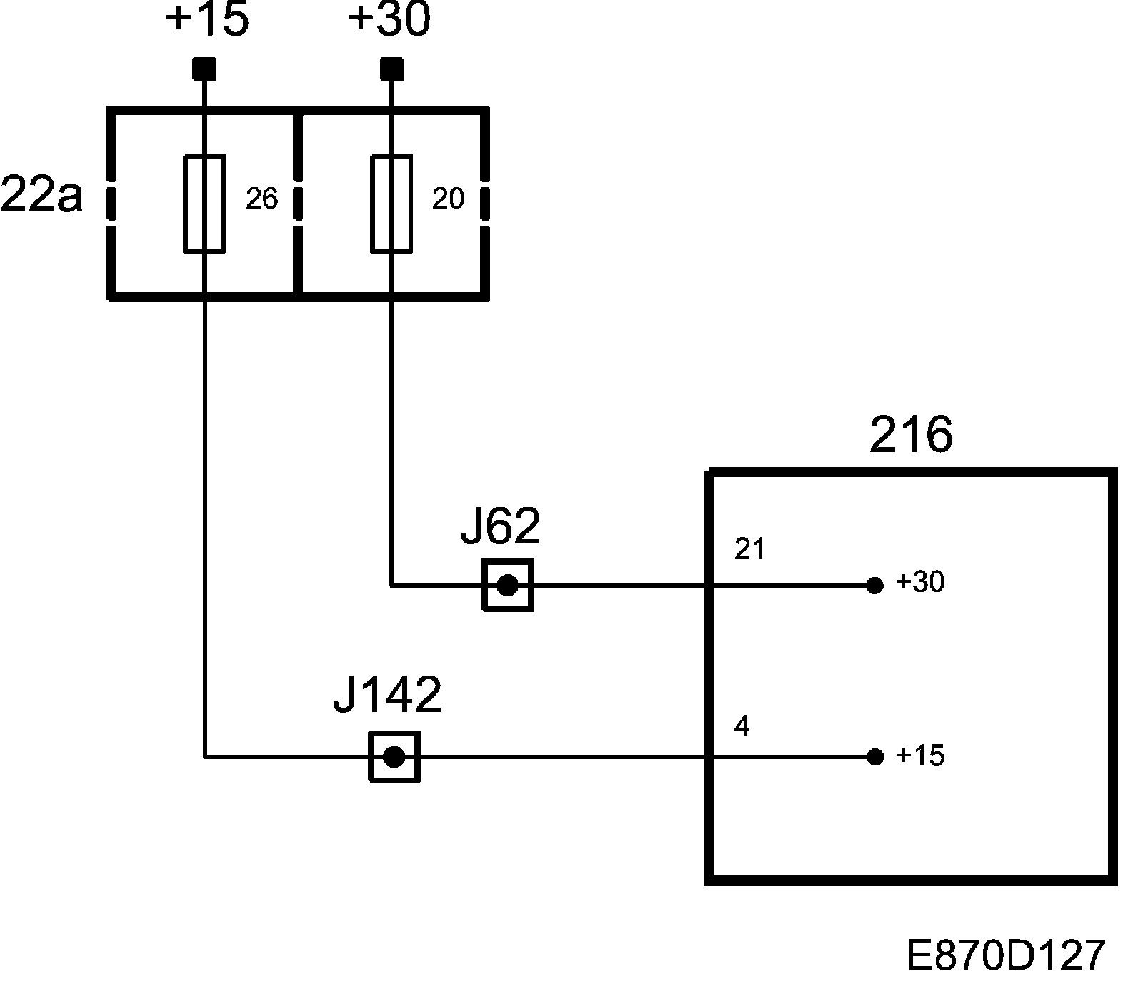
Control module power supply







+30
The ACC unit is supplied with current from the +30 circuit via fuse 20 to K1 pin 21 and fuse 38 to K2 pins 2 and 3.

+15
The ACC unit is supplied with current from the +15 circuit via fuse 26 to K1 pin 4. +15 power supply is used to activate the control module.

Diagnostics
If there is no power supply then background lighting does not come on when the ignition is switched on.







Ground







Power ground
The ACC unit is power grounded from G41P to K1 pin 1.

Sensor Ground
All sensors are grounded from separate control module outputs that internally have a common ground via a resistor.

Reference ground
The fan control unit's reference ground is obtained from K1 pin 35.

Diagnostics
If ground is not present, the display will not light up when the ignition is turned on.

If sensor ground is short-circuited to 5 V or B+ then diagnostic trouble code B2945 is generated.