Power Supply, Control Module

Need a step-by-step guide?

Get an AI-powered repair guide with parts lists, cost estimates, and clear instructions for your 2004 Saab.

AI Repair Guides
Power supply
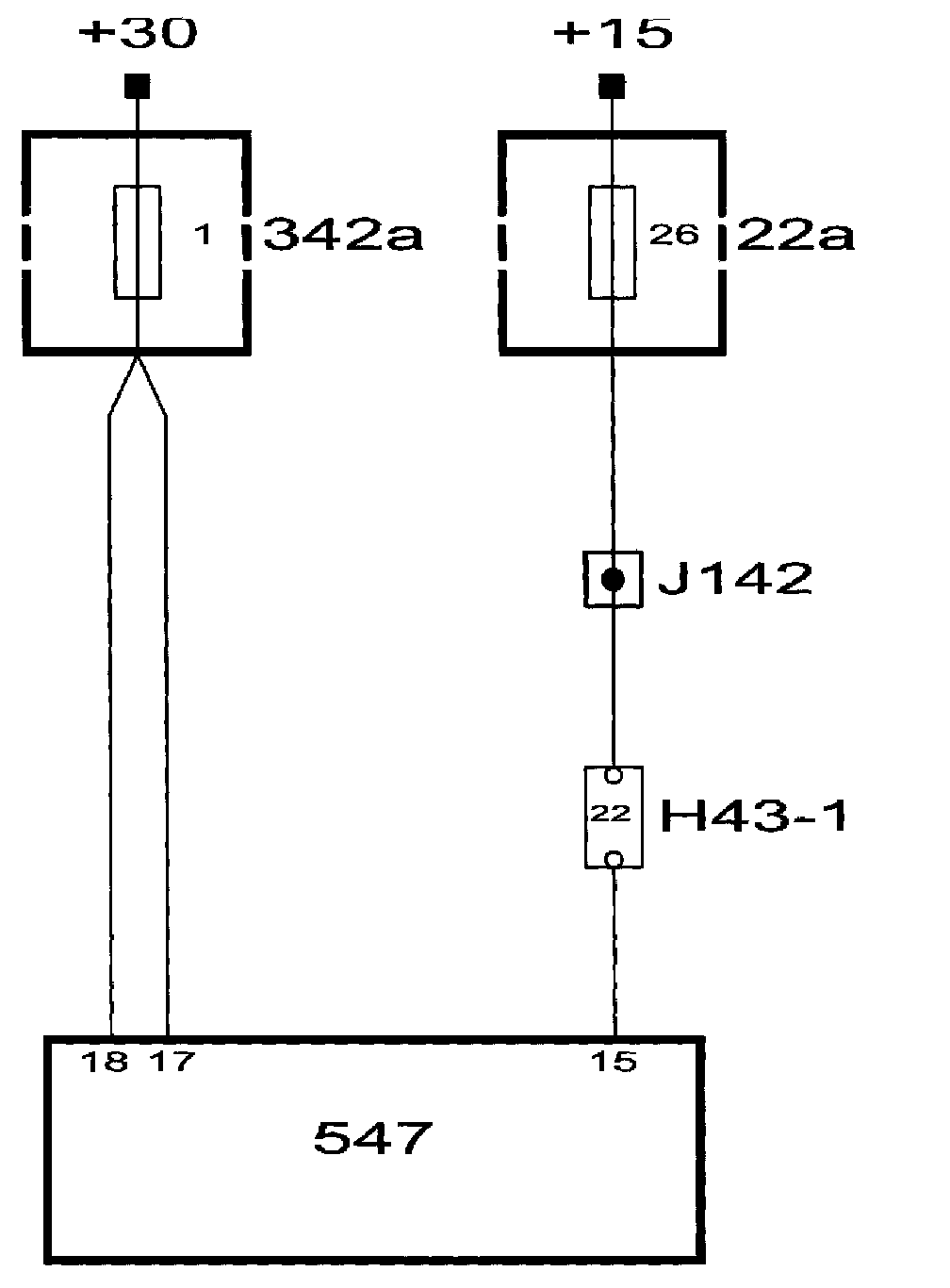
Battery voltage (+30 circuit)
The +30-circuit power supply goes via fuse 1 (342a) to pins 17 and 18 on the control module.








Battery voltage (+15 circuit)
The +15-circuit power supply goes via fuse 26 (22a) to pin 15 on the control module. When the +15 voltage is applied to pin 15, the control module is activated.

Diagnostics
If the supply drops below 9 V for at least 0.5 s, diagnostic trouble code C1532 will be generated, the ABS warning lamp will come on and the ABS system will be disabled.