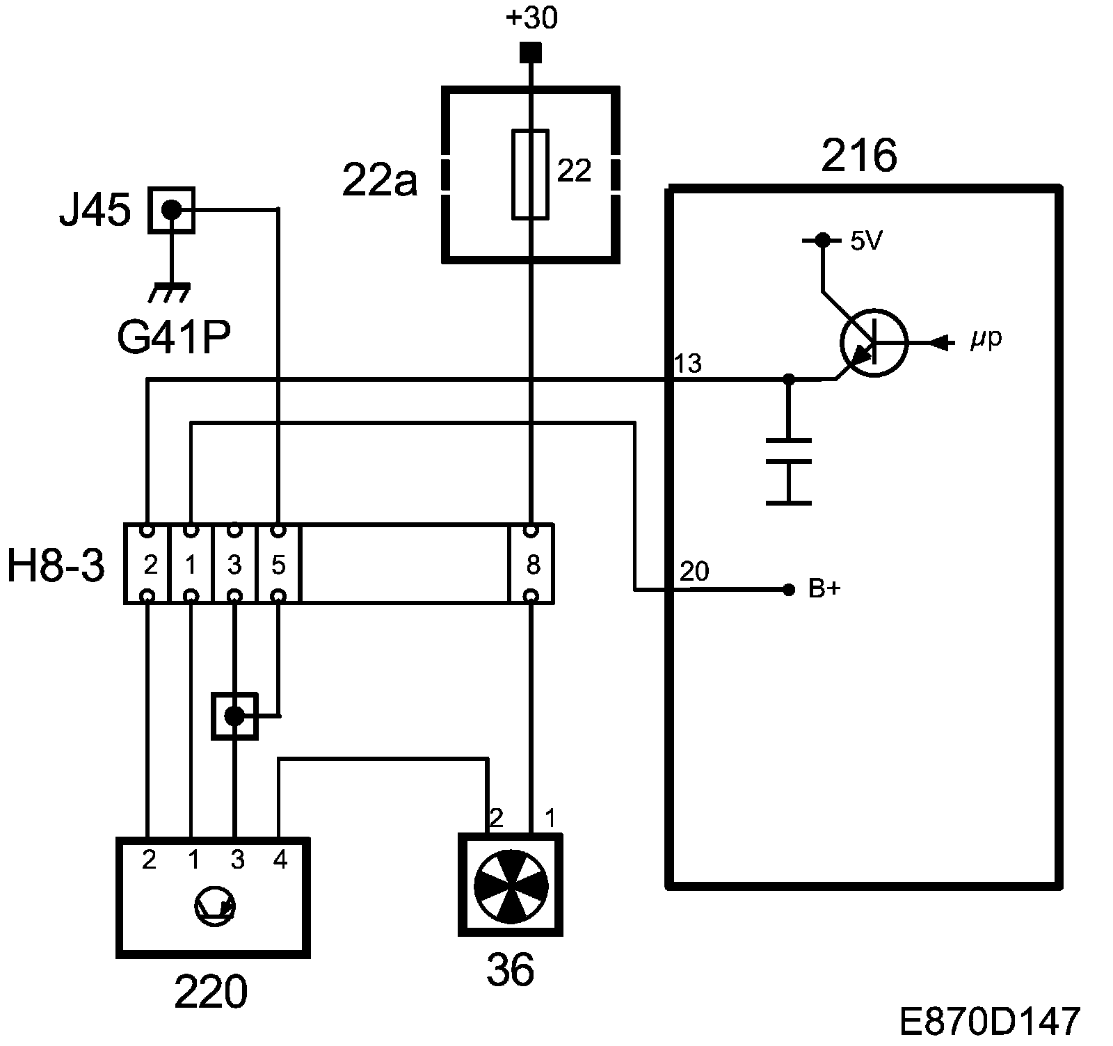
B2425

Need a step-by-step guide?

Get an AI-powered repair guide with parts lists, cost estimates, and clear instructions for your 2004 Saab.

AI Repair Guides


B2425

Fan Control Voltage. Short to B+

Fan Control Voltage. Short to Ground







Fault symptoms
The ventilation fan cannot be operated from the ACC.

Conditions
Ignition ON

Short circuit to ground or B+.

Fault Diagnosis Procedure