Installation

Need a step-by-step guide?

Get an AI-powered repair guide with parts lists, cost estimates, and clear instructions for your 1992 Saab.

AI Repair Guides


The procedure described below applies to a car with the Turbo engine, with intercooler, AC, catalytic converter and water-cooled turbocharger (1988 model).
For other models and engine versions, follow relevant parts of the description to suit each individual case.

INSTALLATION
1. Check that the universal joints are packed with grease.
Fit the cooling system drain plugs.
2. Suspend the power unit from the lifting yoke so that the front engine mounting is somewhat lower than the rear mountings.





3. Lower the power unit into the engine compartment down to a height at which the oil cooler hoses, the oil pressure sensor and the steering servo pump return hose can be connected.
4. Align the power unit in the following order:
- front engine mounting
- left-hand inner universal joint
- right-hand inner universal joint

Then lower the power unit onto the rear engine mountings and fit the bolts. Don't forget the spacer sleeve for the left-hand mounting.
5. Unhook the lifting yoke hooks and, if applicable, remove the lifting lug from the water pump (car with AC).
6. If the car is equipped with an AC: Fit the AC compressor. Fit the drive belt and tension it.
7. Connect the pipe coupling on the delivery side of the steering servo pump.
8. Secure the exhaust pipe loosely to the exhaust manifold.





9. Lift the car to a suitable height and fit the end piece to the bottom wishbone and the anti-roll bar.
Refit the wheel.





10. Lift the car and fit the following:
a) The rubber gaiters and clips to the universal joints.





b) The bolts for the exhaust pipe bracket to the gearcase. The exhaust pipe clamp may have to be slackened slightly to enable the bracket to be bolted to the gearcase.





c) Speedometer cable.





d) Selector rod taper pin.





Automatics:
- Connect the cable to the gear selector rod and clip the cable to the gearbox.

- Check the gear positions and adjust as necessary.

11. Lower the car to a suitable working height and connect the earth cable to the timing gear cover. Run the positive cable into place and fit the clips.





12. Remove tool 83 93 209 under the right-hand upper wishbone and tighten the wheel nuts.
Tightening torque for the wheel nuts up to and inci. the 1987 model: 90-110 Nm (66-81 lb ft)
Tightening torque for the wheel bolts as from the 1988 model: 105-125 Nm (77-92 lb ft)
13. Tighten the exhaust pipe flange bolts.





14. Connect the Lambda sensor connector and secure the cable with straps to the AC hose.





15. Connect the radiator hose to the bottom of the radiator and connect the hydraulic line to the clutch slave cylinder.
16. Connect the battery positive cable to the starter motor.
17. Connect the fuel lines to the fuel distribution pipe and to the fuel pressure sensor.








18. Connect the vacuum hoses for the brake servo to the intake manifold and the tank vent system to the throttle housing.
19. Connect the throttle cable and electric cable.
20. Refit the cable harness to the left-hand side of the engine and connect the cables to:
a) temperature sensor
b) Hall sensor
c) alternator
d) starter motor
e) AC throttle switch
f) oil pressure sensor
g) knock sensor





CONNECTING THE LEFT-HAND CABLE HARNESS TO THE B202 ENGINE

22. Connect the radiator hoses to the expansion tank and the heat exchanger valve.
23. Fit the extra radiator fan for the AC system.
24. Fit the intercooler side plate.
25. Remove the cap from the suction pipe of the turbocharger and fit the intercooler together with the air hose. Fit the cover over the radiator.





26. Connect the solenoid valve signal hoses.
27. Connect the radiator hose to the thermostat housing.
28. Fit the ignition coil and connect the HT lead to the distributor cap.





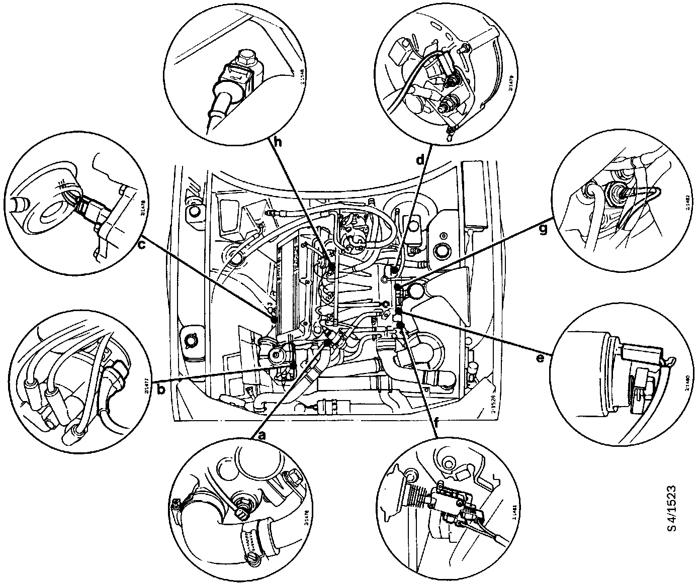
29. Fit the cable harness and the wiring for the LH system and connect the cables to:
a) AC compressor temperature switch (Fig. g)
b) AC temperature sensor (Fig. i)
c) throttle switch (Fig. b)
d) temperature switch for the AC fan (Fig. h)
e) temperature sensor (Fig. d)
f) earthing points at the lifting lug (Fig. e)
Don't forget the earth connection from the left-hand cable harness
g) injection valves (Fig. c)
h) A/C valve (Fig. f)
30. Fit the oil filler pipe.
31. Fit the air cleaner together with the "snorkel".
32. Fit the air mass meter together with the bellows.
Connect the connector (Fig. a)





CONNECTING THE CABLE HARNESS TO THE B202 ENGINE

33. Fit the turbocharger delivery pipe between the intercooler and the throttle housing.
34. Fill the steering-servo reservoir with Texaco Power Steering Fluid 4634 or equivalent.
35. Fill the cooling system with coolant and pressure test it.
36. Fit the battery and connect the cables.
37. Fit the bonnet and connect the hose for the windscreen washers.
38. Start the engine, check the various functions and check that none of the connections are leaking.