Cruise Control: Description and Operation

Need a step-by-step guide?

Get an AI-powered repair guide with parts lists, cost estimates, and clear instructions for your 1992 Saab.

AI Repair Guides

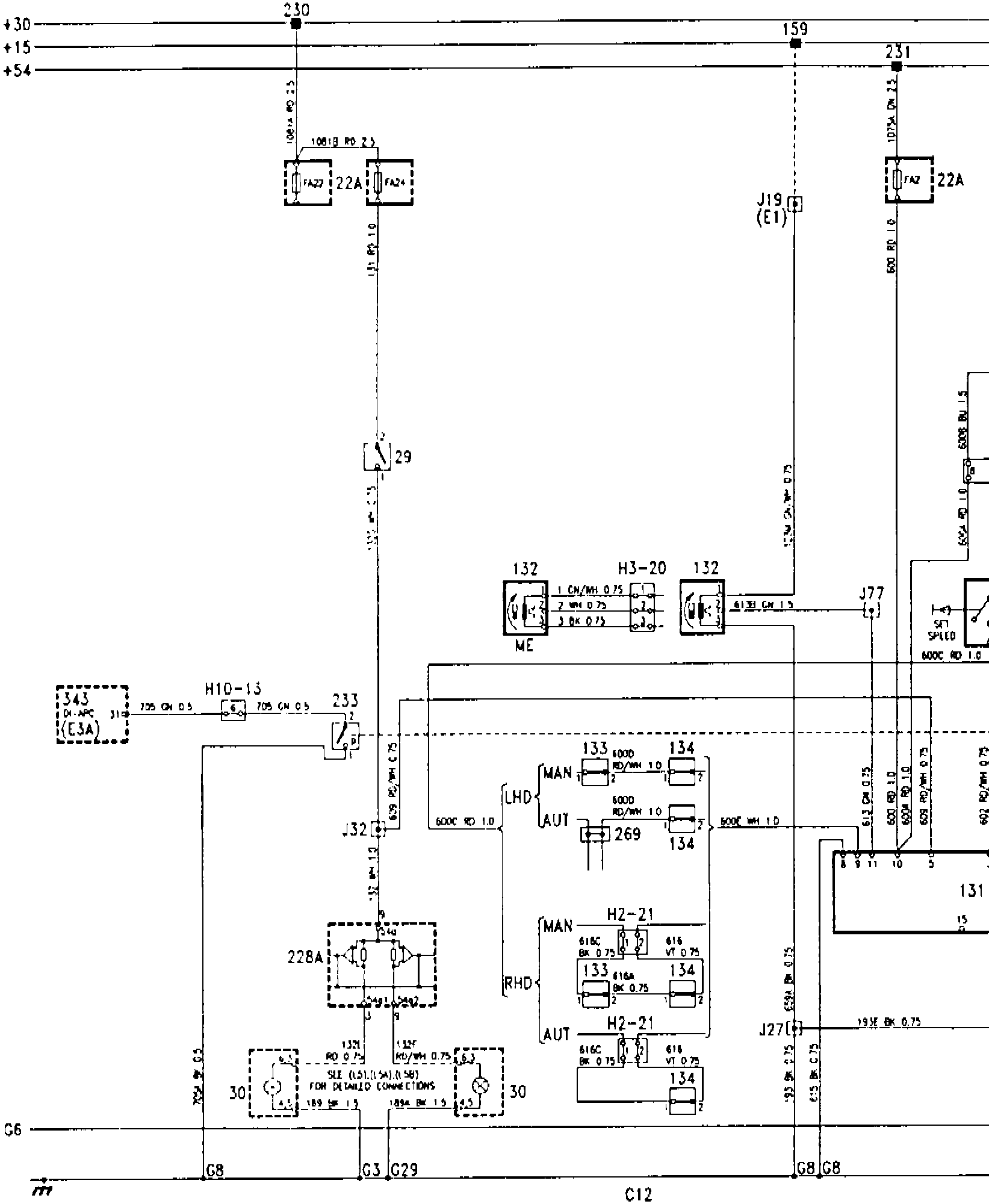
Fig. 1 Speed Control Wiring Diagram (part 1 Of 2):




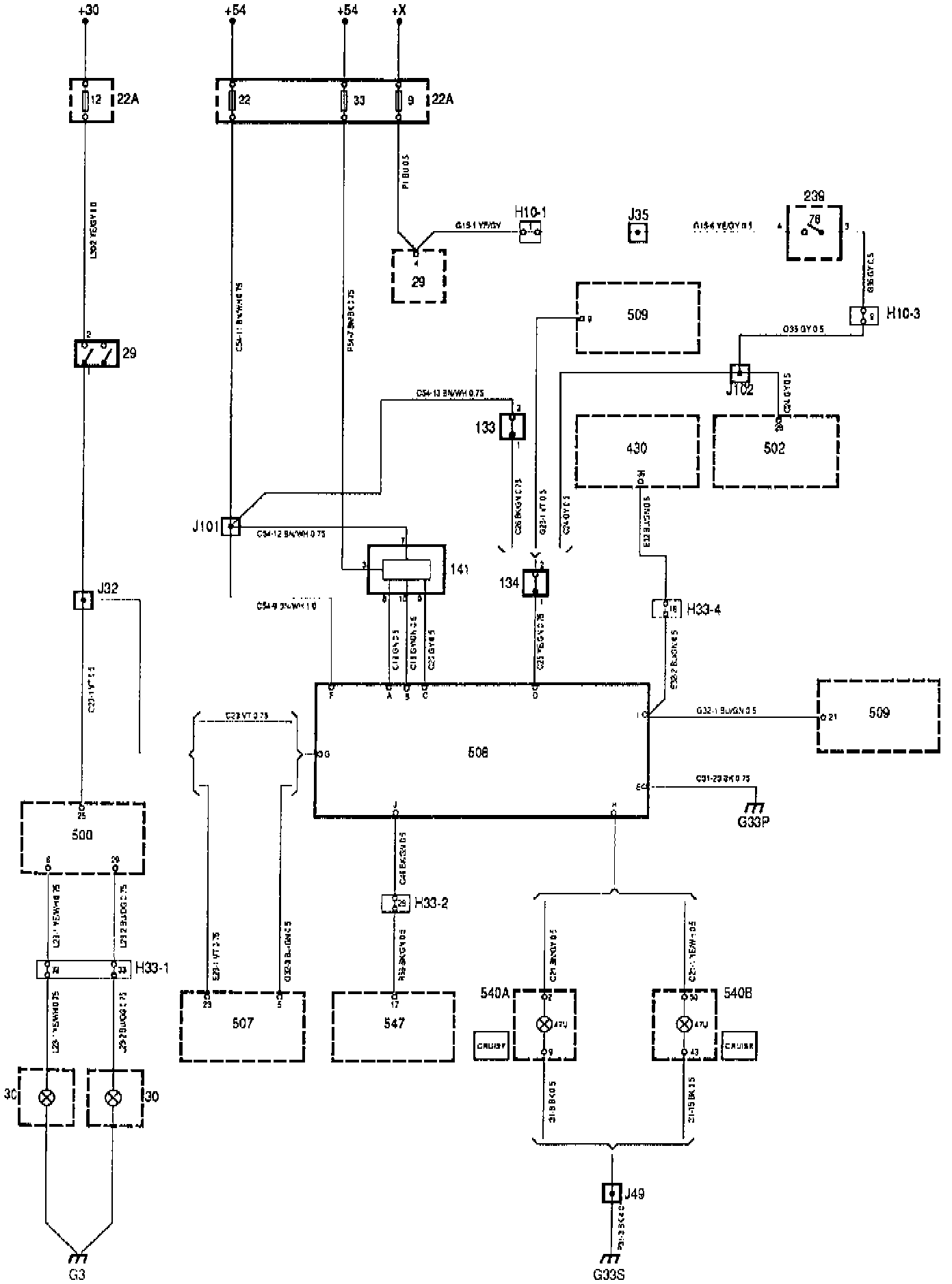
Fig. 1 Speed Control Wiring Diagram (part 2 Of 2):




�j�UFig. 2 Speed Control Wiring Diagram:






The speed control system consists of a speed transmitter, selector switch, electronic control unit, vacuum pump with valve, vacuum regulator and pedal switches
The system is turned on by the selector switch. When the selector is switched to the On position power is supplied to the control unit terminal 9 from terminal 1 through the pedal switches, refer to Fig. 1 and 2. Power is supplied to the vacuum pump and valve from the control unit terminals 6 and 7. Grounding is through terminal 1 on the control unit.
When the Set button is depressed, power is supplied to terminal 3 of the control unit and vehicle speed is sensed by the speed transmitter. The value is supplied to the control unit and is stored in the unit's memory.
The vacuum pump generates vacuum in the vacuum regulator, corresponding to selected vehicle speed. The vacuum regulator is connected by a chain to the throttle linkage. Vehicle speed is continuously sensed and compared with the stored value. If vehicle speed deviates, the vacuum pump/valve increases or decreases the vacuum in the regulator and the throttle linkage is adjusted accordingly.
When the vacuum pump is not running the vacuum valve is closed and vacuum in the system remains constant. When terminals 6 and 7 on the control unit are open (not energized), the vacuum pump will be inoperative and the valve will be open, causing the vacuum in the regulator to drop and the accelerator setting to be reduced.
If either the brake or clutch pedal are depressed, the voltage supply will be turned off by the corresponding pedal switch. At the same time, a valve in the pedal switches will open and vacuum will be released.
If a fault should arise in either of the pedal switches, the speed control system will be switched out by the brake light switch.