General System Description

Need a step-by-step guide?

Get an AI-powered repair guide with parts lists, cost estimates, and clear instructions for your 1992 Saab.

AI Repair Guides

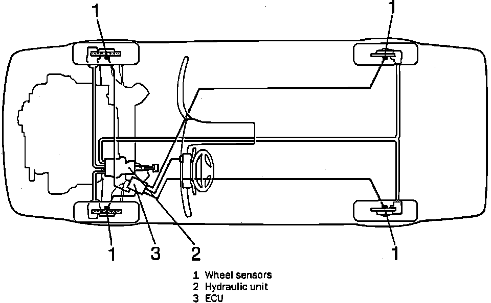
Fig. 1 Anti-lock Brake System:





This Anti-Lock Brake System (ABS) Fig. 1, is a triple-circuit system, with split circuits and individual monitoring and control for each front wheel and for the two rear wheels together.
Signals from the four wheel sensors are sent to the ECU, which continuously monitors the speed, acceleration and deceleration of the wheels, road speed and tire slip. If a wheel is about to lock up, the ECU sends signals to the solenoid valves for the wheel that is slipping. This signal modulates the amount of hydraulic brake pressure sent to that wheel. By preventing lock up, the ABS system provides the shortest possible stopping distance without losing steering control.