Computer Controlled Coil Ignition Module

Need a step-by-step guide?

Get an AI-powered repair guide with parts lists, cost estimates, and clear instructions for your 1985 Pontiac.

AI Repair Guides

RH Front Of Dash.:




Top RH Side Of Engine.:




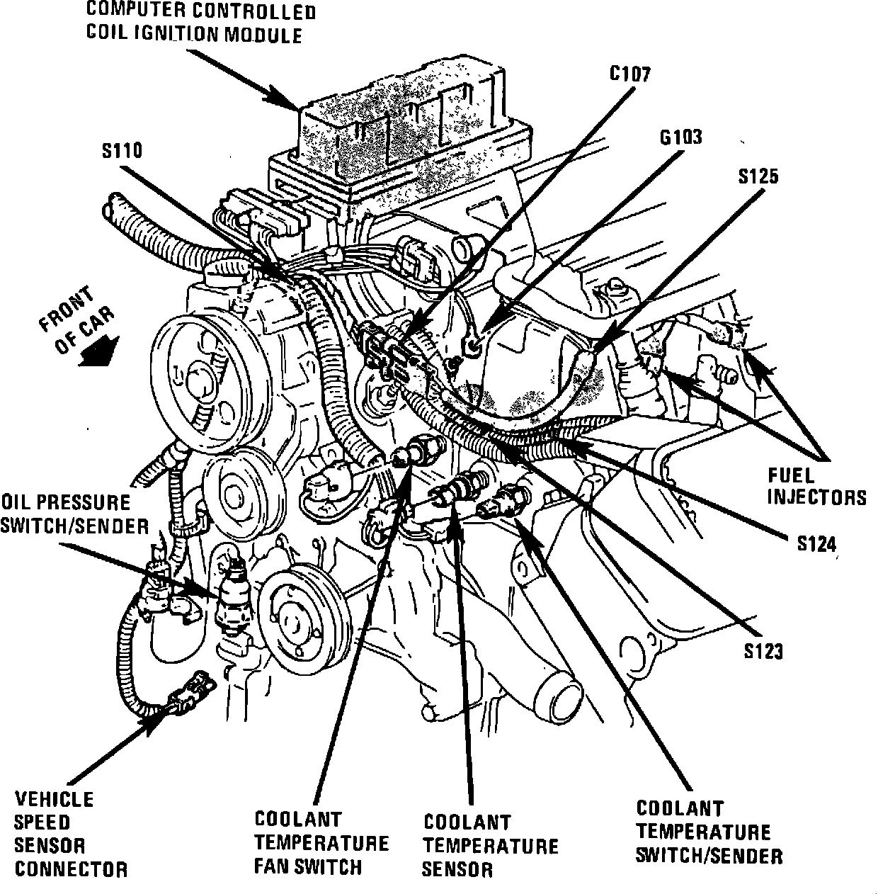
Underhood Components.:




Top RH Rear Of Engine

Applicable to: 3.0L