Computers and Control Systems: Description and Operation

Need a step-by-step guide?

Get an AI-powered repair guide with parts lists, cost estimates, and clear instructions for your 1985 Plymouth.

AI Repair Guides

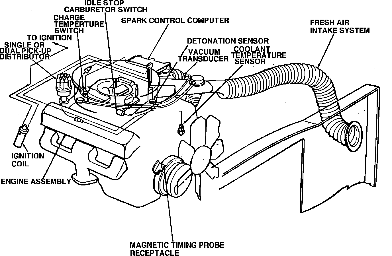
Fig. 1 Electronic Spark Control (ESC) system (Typical):





The Electronic Feedback Carburetor System works in conjunction with the Electronic Spark Control System, Fig. 1, and controls emissions by close regulation of the ignition timing and air/fuel ratios. The precise control of the air/fuel mixture permits the use of a three-way catalyst which simultaneously reduces all three major exhaust pollutants: hydrocarbons (HC), carbon monoxide (CO) and oxides of nitrogen (NOx) into harmless substances. Two modes of operation of this system are the Open Loop and the Closed Loop.
During the Open Loop mode of operation, air/fuel ratio is controlled by information programmed into the computer during manufacture.
During the Closed Loop mode of operation, the air/fuel ratio is varied by the computer according to the information supplied by the oxygen sensor. When the engine is cold, the system will operate in the Open Loop mode. During this period, the air/fuel ratio will be at a fixed richer level to allow the engine to warm up properly. Also during this period, air injection from the air injection pump will be injected upstream in the exhaust manifold.