Fastener Tightening Specifications - Main Bearing

Need a step-by-step guide?

Get an AI-powered repair guide with parts lists, cost estimates, and clear instructions for your 1998 Oldsmobile.

AI Repair Guides







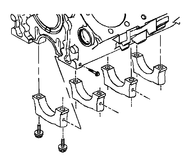
Install the crankshaft main bearing caps. Use GM P/N 1052942 sealer at the number 4 crankshaft main bearing cap to the engine block surface.

Install the crankshaft main bearing cap bolts. Start the crankshaft main bearing cap bolts by hand. Ensure the bottom of the crankshaft main bearing cap is parallel to the bottom of the channel.

NOTICE: Refer to Permanently Stretching Bolt Notice in Service Precautions.

^ Tighten the crankshaft main bearing cap bolts in equal increments. Do not completely tighten one bolt at a time to prevent the cap from being cocked.
^ Tighten the bolts to 70 Nm (52 ft. lbs.) to fully seat the crankshaft main bearing caps. Loosen the bolts 360 degrees counterclockwise.
^ Tighten the bolts to 20 Nm (15 ft. lbs.), then 40 degrees (30 ft. lbs.).
^ Use J36660 to tighten the bolts in steps: 35 degrees + 35 degrees + 40 degrees for a total of 110 degrees.

NOTICE: Refer to Fastener Notice in Service Precautions.

Install the side main bolts. Apply GM P/N 12345493 or equivalent to the side main bolts.

Tighten the side crankshaft main bearing cap bolts to 15 Nm (11 ft. lbs.). Use J36660 to tighten the bolts an additional 45 degrees.