Cruise Control Module: Service and Repair

Need a step-by-step guide?

Get an AI-powered repair guide with parts lists, cost estimates, and clear instructions for your 1997 Oldsmobile.

AI Repair Guides

Cruise Control And Stoplamp Switches Installed:




Cruise Control Cable To Module Attachment:




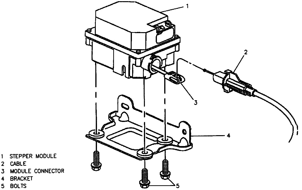
The cruise control module assembly is mounted left of center on the cowl in the engine compartment.

REMOVE OR DISCONNECT
1. Cruise control cable at engine bracket and TBI cam.
2. Cruise control cable from module assembly.
3. Electrical connector from module assembly.
4. Two nuts from mounting studs.
5. Module assembly.

INSTALL OR CONNECT
1. Module assembly on mounting studs.
2. Two nuts.
Tighten
^ Nuts to 2 N.m (18 lb. in.).
3. Electrical connector to module.
4. Cruise control cable to module assembly.
5. Cruise control cable to engine bracket and TBI cam.
6. Adjust cable.