Restraints - Control Module DTCs, Associated Fault PIDs

Need a step-by-step guide?

Get an AI-powered repair guide with parts lists, cost estimates, and clear instructions for your 2004 Mercury.

AI Repair Guides
TSB 07-12-3

06/25/07

RCM FAULT REPORTING USING DTCS AND
BIT-MAPPED PARAMETER IDENTIFIERS (PIDS) -
SERVICE TIPS

FORD:
2001-2007 Crown Victoria
2002-2007 Taurus
2004-2007 Focus
2005-2007 Five Hundred, Freestyle, Mustang
2006-2007 Fusion
2001-2003 Explorer Sport
2001-2007 Explorer Sport Trac
2002-2003 Windstar
2002-2007 Explorer
2003-2007 Expedition
2004-2007 F-150, Freestar
2005-2007 Escape Hybrid, Escape
2007 E-Series

LINCOLN:
2001-2007 Town Car
2003-2006 Lincoln LS
2006 Zephyr
2007 MKZ
2003-2005 Aviator
2003-2007 Navigator
2006-2007 Mark LT

MERCURY:
2001-2007 Grand Marquis
2002-2005 Sable
2005-2007 Montego
2006-2007 Milan
2002-2007 Mountaineer
2004-2007 Monterey
2005-2007 Mariner
2006-2007 Mariner Hybrid

This article supersedes TSB 07-7-8 to update the vehicle application.

ISSUE
Various 2001-2007 vehicles are equipped with a restraints control module (RCM) that report diagnostic trouble codes (DTCs) which provide general fault information. These DTCs require accessing the associated bit-mapped PIDs (fault PIDs) to identify the specific fault. Most 2001-2006 Workshop Manuals (WSM) were written using New Generation STAR Tester (NGS) terminology and navigation which does not translate well when using Integrated Diagnostic System (IDS), Portable Diagnostic Software (PDS) or Worldwide Diagnostic System (WDS).

ACTION
Refer to the Service Tips to assist with navigation of both the WSM and the scan tool being used.

SERVICE TIPS

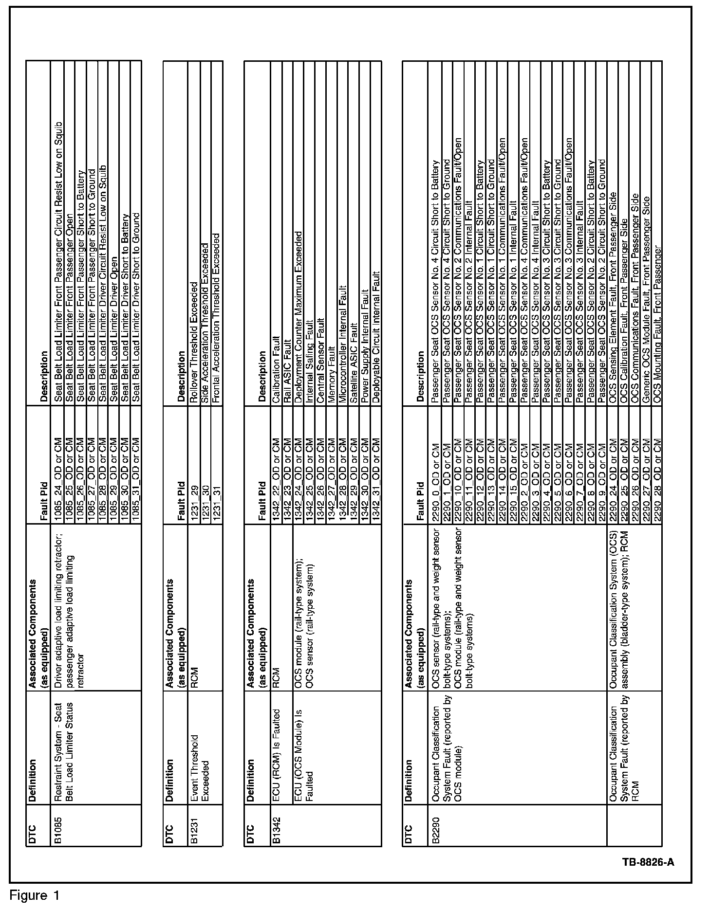
DTCs And Associated Fault PIDs Description

Many of the continuous memory and on-demand DTCs that can be present in the RCM provide general fault information and require accessing the associated bit-mapped PIDs (fault PIDs) to identify the specific concern. DTCs that use fault PIDs are conceptually different from conventional DTCs.

Conventional DTCs identify a specific concern for a given component and point to a particular diagnostic path. In the diagnostic path, PIDs are sometimes used to determine the root cause.

















DTCs that use fault PIDs do not identify the specific concern. The DTC identifies the component(s) or type of component(s) in which the concern exists. The next level, fault PIDs, identifies the specific device and fault condition. Fault PIDs are available for both on-demand (active) and continuous memory (historic or intermittent) DTCs. A scan tool must be used to view the DTCs and their fault PIDs. The table lists those DTCs that are supported by associated fault PIDs. (Figures 1-5)

VIEWING FAULT PIDS USING SCAN TOOLS WSM Direction to FLAG DTC/View Fault PIDs

The information in viewing fault PIDs in the WSM has evolved over the years as the scan tools have transitioned. Examples of how the WSM may direct you to view fault PIDs are:

^ FLAG DTC XXXXX/Record All Flagged Faults (2001-2006 WS Ms)

^ View and Record DTC XXXXX Fault PIDs (2007 WSM)

^ DataLogger/View and Record DTC XXXXX Fault Pids (2008 and future WSMs)

In each instance the direction is the same (view fault PIDs to identify the specific component and fault condition) but how they are accessed by the scan tools, as well as the scan tool terminology, will vary.

FLAG the DTC - View the Fault PIDs

For example, the "Flag" DTC feature is specific to NGS/NGS+. When using IDS/PDS it is necessary to view the fault PIDs from DataLogger.

Using IDS/PDS

NOTE
WHEN USING IDS/PDS, MOVE THE CURSOR OVER THE PID OR SELECT THE PID TO DISPLAY ITS DEFINITION AT THE BOTTOM OF THE SCREEN. WHEN USING PDS, HIGHLIGHT OR MOVE THE STYLUS OVER THE PID TO SEE THE PID DEFINITION.

1. Perform a self test of the RCM and/or OCS module to retrieve on-demand and continuous memory DTCs.

2. To view the fault PIDs associated with an on-demand DTC:

a. Toolbox

b. DataLogger

c. Modules

d. RCM

3. Monitor all "_OD" PID(s) matching the DTC present; follow diagnostic procedure for the PID that reads "FAULT".

^ For example, a B2296 fault is present. In DataLogger the fault PID 2296_18_OD PID reads "FAULT' indicating a front internal crash sensor fault.

4. To view the fault PIDs associated with a continuous memory DTC:

a. Toolbox

b. DataLogger

c. Modules

d. RCM

5. Monitor all "_CM" PID(s) matching the DTC present; follow diagnostic procedure for the PID that reads "FAULT".

For example, a B2296 fault is present. In DataLogger the fault PID 2296_18_CM PID reads "FAULT" indicating a front internal crash sensor fault.

IDS/PDS Fault PID Naming Conventions

The fault PIDs as displayed on IDS/PDS uses a strategy associating it with the DTC. For example, the fault PIDs 2296_18_OD and 2296_18_CM break down as follows:

^ 2296 - The DTC number minus the "B" (body) or "C" (chassis) designation.

^ 18 - An identifier used to distinguish between each of the fault PIDs associated with the DTC.

^ OD - Identifies the fault PID as an on-demand fault.

^ CM - Identifies the fault PID as a continuous memory (intermittent) fault.

NOTE
THE DTCS AND FAULT PIDS SUPPORTED BY A VEHICLE WILL VARY DEPENDING ON VEHICLE EQUIPMENT.

Table lists each of the fault PIDs as displayed on IDS/PDS and their description. (Figures 1-5)

WARRANTY STATUS: Information Only





Disclaimer