Emission Control Systems: Service and Repair

Need a step-by-step guide?

Get an AI-powered repair guide with parts lists, cost estimates, and clear instructions for your 2001 Mazda.

AI Repair Guides





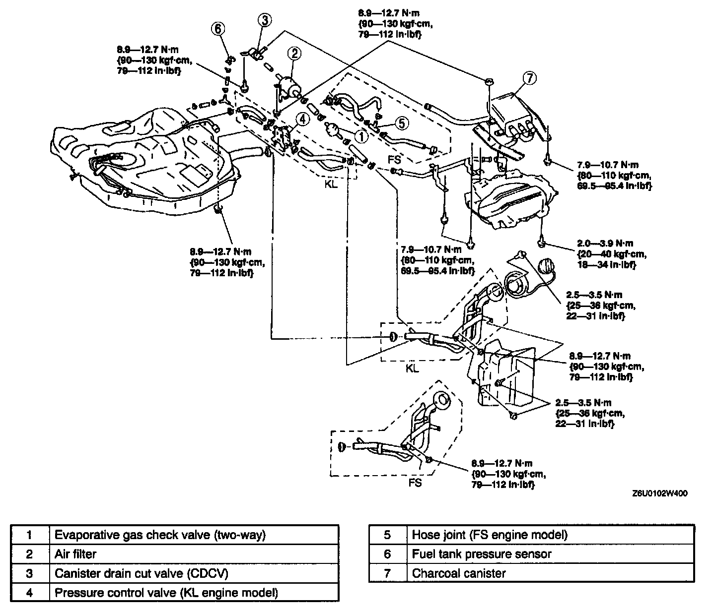
1. Remove the fuel tank.
2. Remove the components indicated in the table.
3. Install in the reverse order of removal.