Central Control Module

Need a step-by-step guide?

Get an AI-powered repair guide with parts lists, cost estimates, and clear instructions for your 2001 Mazda.

AI Repair Guides

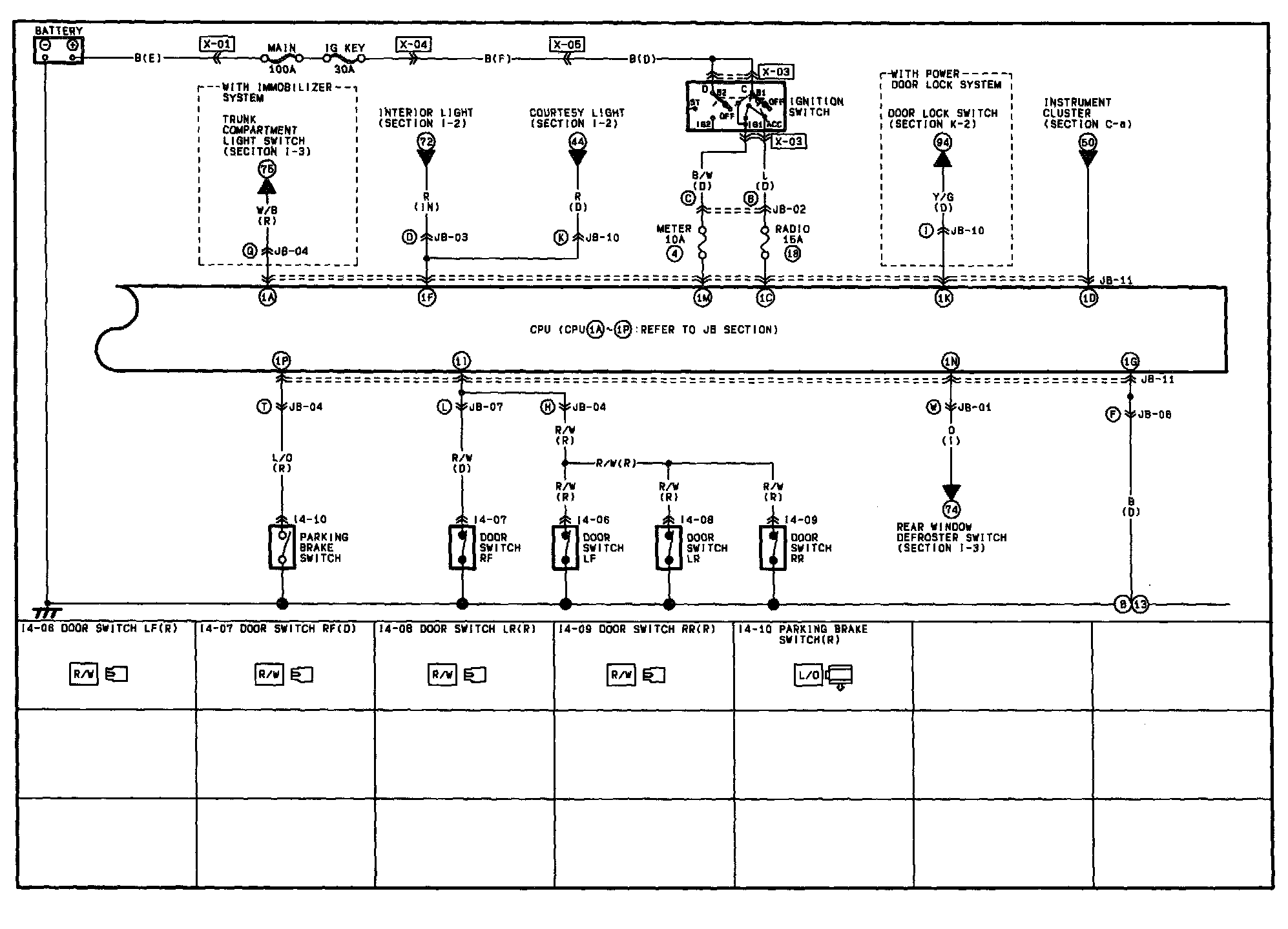
I-4a - Central Processing Unit (CPU) Circuit:




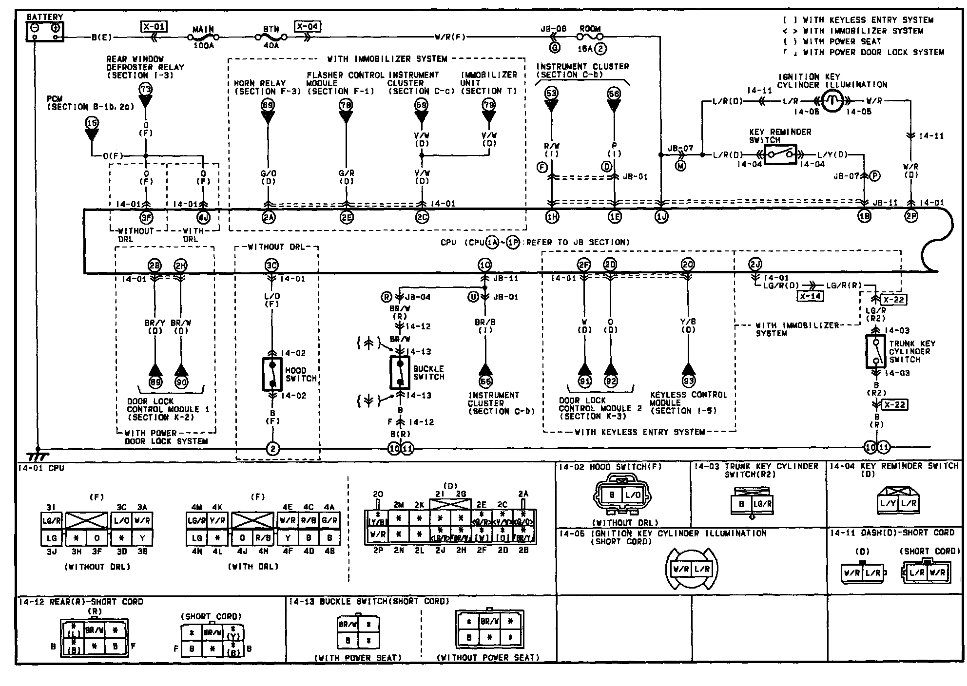
I-4b - Central Processing Unit (CPU) Circuit:




Wiring Diagrams

NOTE: To view other sections referred to in these diagrams, see Complete Body and Chassis Diagrams by Section (A Thru Z) Electrical Diagrams