Images

Need a step-by-step guide?

Get an AI-powered repair guide with parts lists, cost estimates, and clear instructions for your 2001 Mazda.

AI Repair Guides

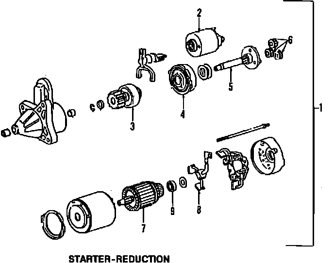
Reduction Type: