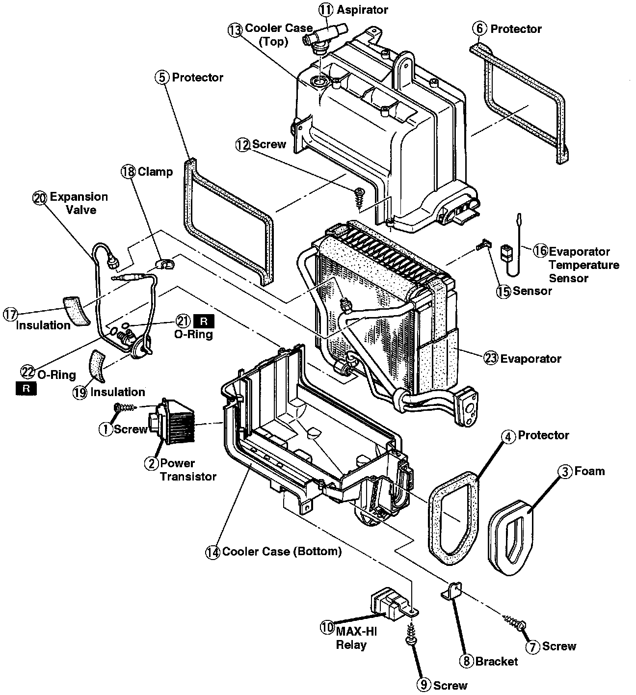
Exploded Views
Need a step-by-step guide?
Get an AI-powered repair guide with parts lists, cost estimates, and clear instructions for your 1997 Mazda.
Need a step-by-step guide?
Get an AI-powered repair guide with parts lists, cost estimates, and clear instructions for your 1997 Mazda.