System Diagram

Need a step-by-step guide?

Get an AI-powered repair guide with parts lists, cost estimates, and clear instructions for your 1997 Mazda.

AI Repair Guides


Differential, Output Gear, Idler Gear And Converter Housing:



Low And Reverse Brake And Parking Mechanism:



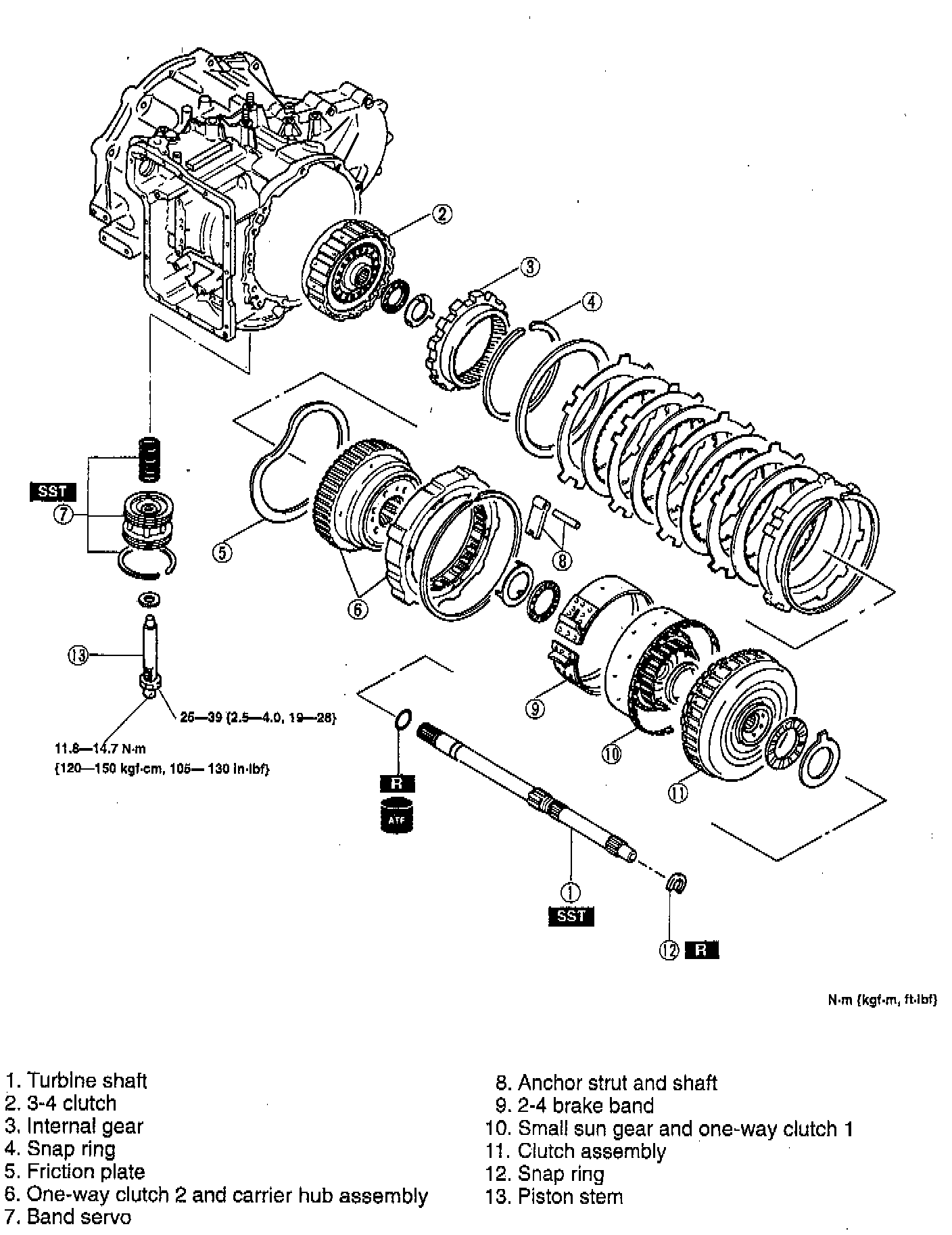
Clutches, Band Servo, And Turbine Shaft:



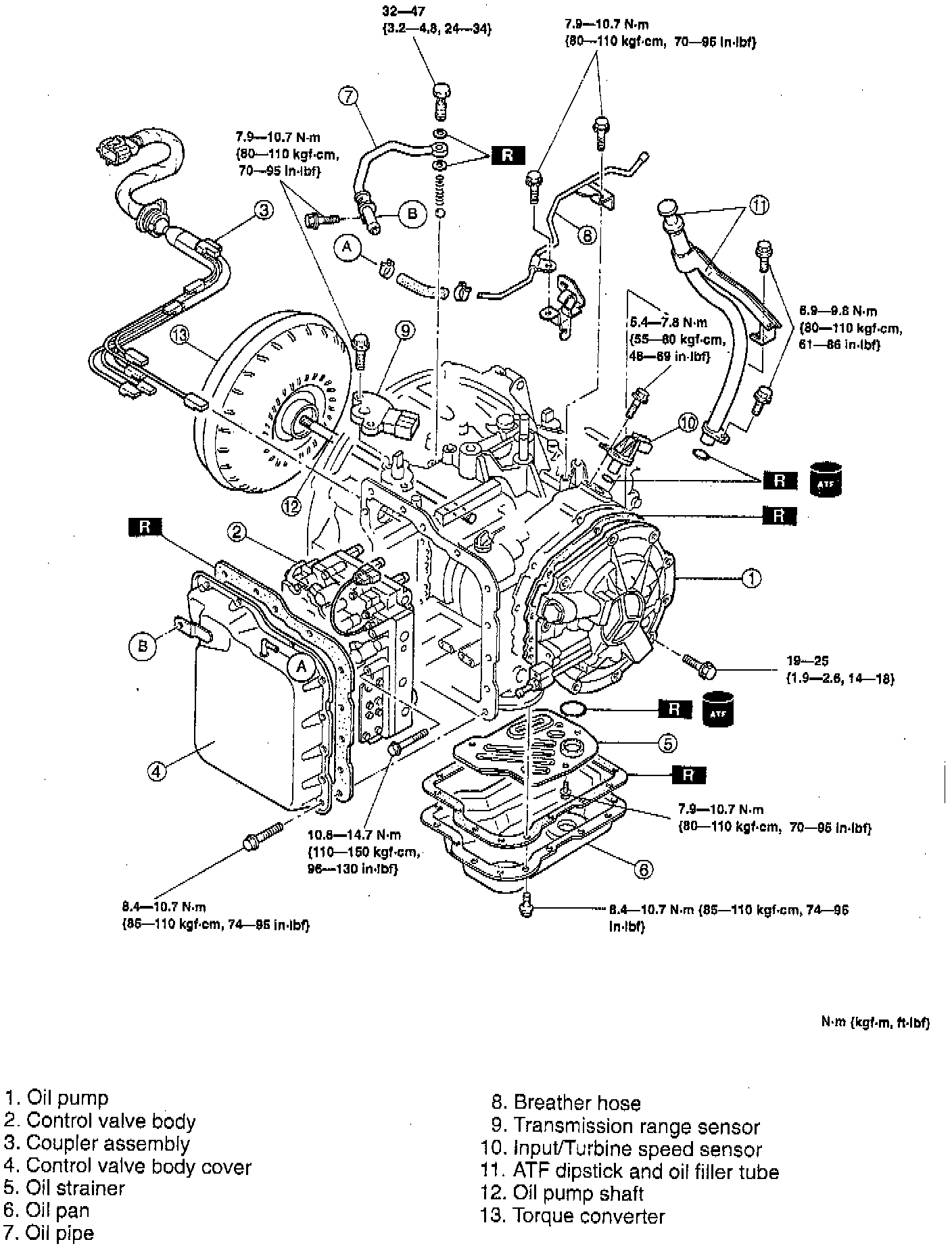
Torque Converter, Oil Pump, Control Valve Body: