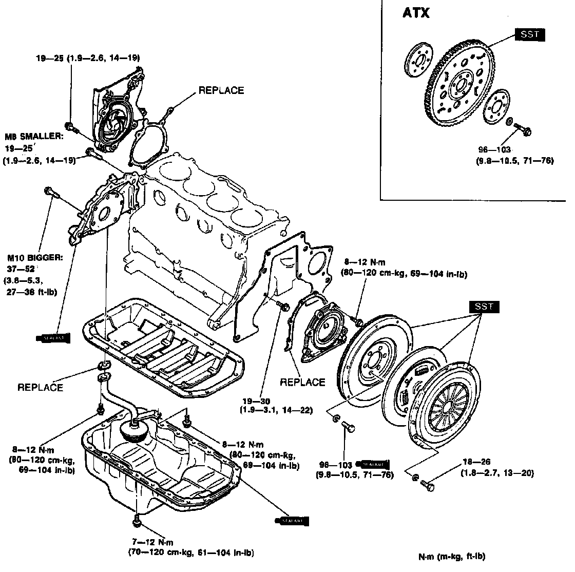
Torque Specifications

Need a step-by-step guide?

Get an AI-powered repair guide with parts lists, cost estimates, and clear instructions for your 1991 Mazda.

AI Repair Guides

Intake Turbo:











Upper Engine:






Head Bolt Torque/Sequence:






Rocker Shaft Torque/Sequence:






Timing Components:






Lower Engine:






Main Bolt Torque/Sequence: