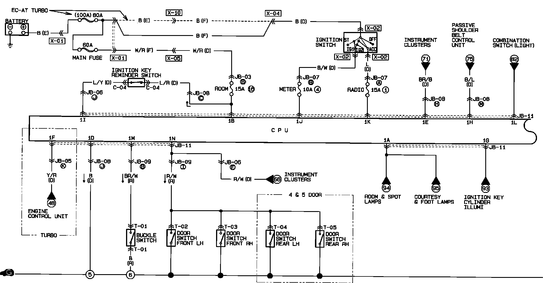
Body Control Module

Need a step-by-step guide?

Get an AI-powered repair guide with parts lists, cost estimates, and clear instructions for your 1991 Mazda.

AI Repair Guides

Sound Warning System.:



Theft Deterrent System: