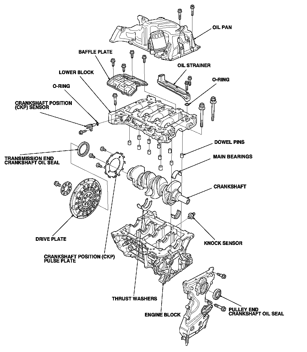
Engine Block Assembly Component Location Index
Engine Block Assembly Component Location Index
Need a step-by-step guide?
Get an AI-powered repair guide with parts lists, cost estimates, and clear instructions for your 2010 Honda.
Engine Block Assembly Component Location Index