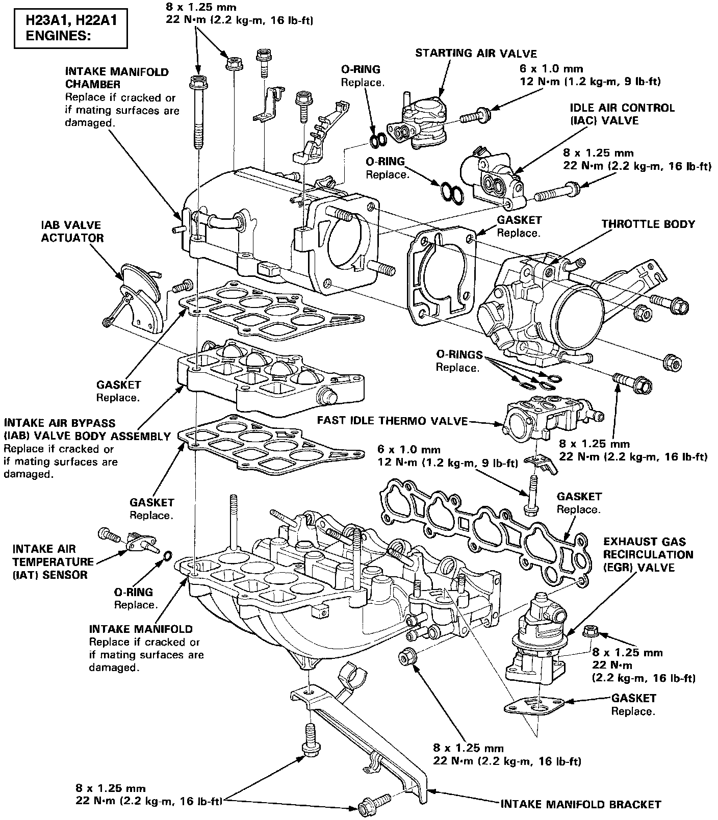
Intake:
Exhaust:
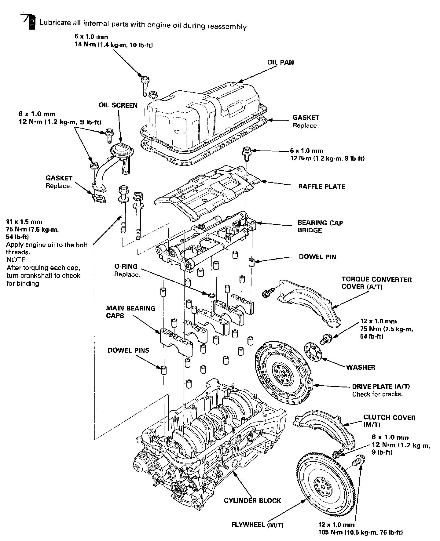
Upper Engine:
CAMSHAFT HOLDERS
Head Bolt Loosening Sequence:
Head Bolt Torque Sequence:
Torque cylinder head attaching bolts in three steps; first step to 29 ft. lbs., second step to 51 ft. lbs., third step to 72 ft. lbs.
Need a step-by-step guide?
Get an AI-powered repair guide with parts lists, cost estimates, and clear instructions for your 1995 Honda.