Skip to main content
SPOTONAUTO
Factory ManualsRepair GuidesWiring DiagramsLook Up a CodeDiagnoseCommunity
Sign In
Factory ManualsRepair GuidesWiring DiagramsLook Up a CodeDiagnoseCommunity
Guide language
Sign In
  1. Home
  2. /Service Manuals
  3. /Honda
  4. /1995
  5. /Del Sol L4-1.5L SOHC
  6. /Repair and Diagnosis
  7. /Powertrain Management
  8. /Computers and Control Systems
  9. /Relays and Modules - Computers and Control Systems
  10. /Body Control Module
  11. /Diagrams
  12. /Diagram Information and Instructions
  13. /Ground Distribution Schematics
  14. /Primary View

Primary View

Need a step-by-step guide?

Get an AI-powered repair guide with parts lists, cost estimates, and clear instructions for your 1995 Honda.

AI Repair Guides

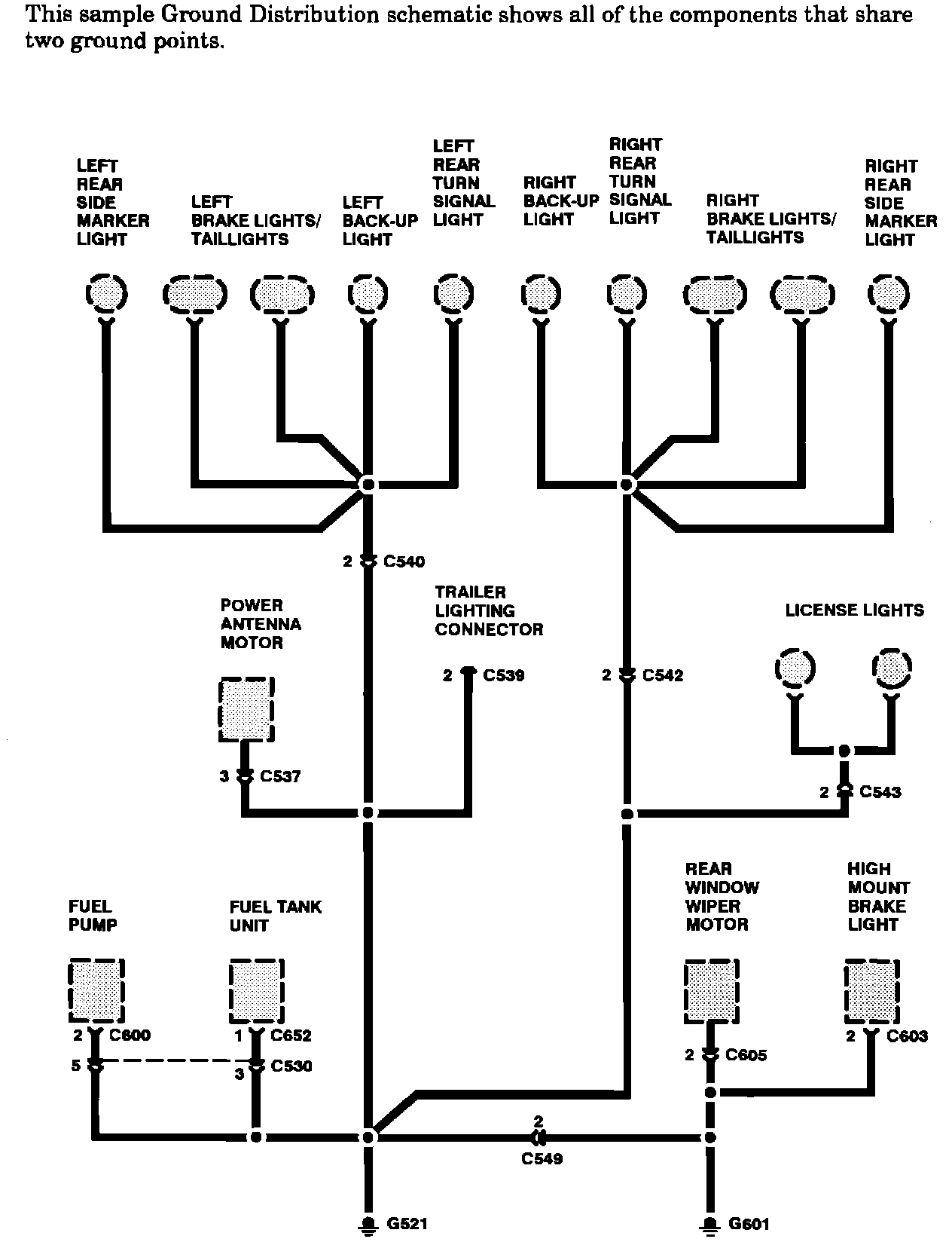
Ground Distribution Schematics:



← Back to Ground Distribution SchematicsAll Makes
SpotOnAuto

AI-powered auto repair guides. Save $200–$500 per repair with step-by-step instructions tailored to your exact vehicle.

100% Free

Tools

  • AI Diagnostic Chat
  • Factory Manuals
  • Repair Guides
  • Parts Finder
  • Check Engine Light
  • DTC Code Lookup
  • Wiring Diagrams
  • Community Forum

Popular Repairs

  • Oil Change Guides
  • Brake Pad Guides
  • Battery Guides
  • Spark Plug Guides
  • Serpentine Belt Guides
  • Alternator Guides
  • All Repair Categories β†’

Company

  • About Us
  • Sign In / Sign Up
  • Privacy Policy
  • Terms of Service
  • Affiliate Disclosure
  • Contact Us
support@spotonauto.com

πŸ‡ΊπŸ‡Έ A Widescope Industries LLC Company β€” SDVOSB Certified | Service-Disabled Veteran-Owned Small Business

SDVOSB Member Badge - Service-Disabled Veteran-Owned Small Business

As an Amazon Associate, SpotOnAuto earns from qualifying purchases. We also earn commissions from TOPDON purchases via our referral links. Full disclosure.

Β© 2026 SpotOn Auto. All rights reserved. AI-generated content is for informational purposes only.

Powered by Gemini 2.0
All systems operational