Pinpoint Test E: DTC P2533:14

Need a step-by-step guide?

Get an AI-powered repair guide with parts lists, cost estimates, and clear instructions for your 2012 Ford.

AI Repair Guides



Body Control Module B (BCM-B)

Pinpoint Test E: DTC P2533:14

Refer to Wiring Diagram Set 11, Fuse and Relay Information for schematic and connector information [1][2]Diagrams By Number.

Refer to Wiring Diagram Set 89, Interior Lamps for schematic and connector information [1][2]Diagrams By Number.

Normal Operation

- DTC P2533:14 (Ignition Switch Run/Start Position Circuit: Circuit Short To Ground Or Open)- an on-demand DTC that sets when the BCM-B (Body Control Module B) detects no voltage from the run/start circuit.

This pinpoint test is intended to diagnose the following:

- Fuse

- Wiring, terminals or connectors

- BCM-B (Body Control Module B)

- SJB (Smart Junction Box)

PINPOINT TEST E : DTC P2533:14

E1 CHECK THE RUN/START CIRCUIT FOR VOLTAGE

- Ignition OFF.

- Disconnect: BCM-B (Body Control Module B) C4368A.

- Ignition ON.

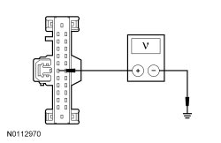
- Measure the voltage between the BCM-B (Body Control Module B) C4368A-7, circuit CBP35 (YE/GY), harness side and ground.





Is the voltage greater than 10 volts?

Yes
GO to E4.

No
VERIFY the SJB (Smart Junction Box) fuse 35 (10A) is OK. If OK, GO to E2. If not OK, REFER to the Wiring Diagrams to identify the possible causes of the circuit short [1][2]Diagrams By Number.

E2 CHECK THE RUN/START CIRCUIT FOR AN OPEN

- Ignition OFF.

- Disconnect: SJB (Smart Junction Box) C2280D.

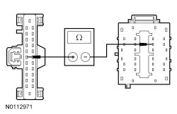
- Measure the resistance between the BCM-B (Body Control Module B) C4368A-7, circuit CBP35 (YE/GY), harness side and the SJB (Smart Junction Box) C2280D-23, circuit CBP35 (YE/GY), harness side.





Is the resistance less than 5 ohms?

Yes
GO to E3.

No
REPAIR circuit CBP35 (YE/GY) for an open. CLEAR the DTCs. REPEAT the self-test.

E3 CHECK FOR CORRECT BCM-B (Body Control Module B) OPERATION

- Disconnect the BCM-B (Body Control Module B) connectors.

- Check for:
- corrosion

- damaged pins

- pushed-out pins


- Connect the BCM-B (Body Control Module B) connectors and make sure they seat correctly.

- Operate the system and verify the concern is still present.

Is the concern still present?

Yes
INSTALL a new BCM-B (Body Control Module B). REFER to Body Control Module B (BCM-B) . CLEAR the DTCs. REPEAT the self-test. TEST the system for normal operation.

No
The system is operating correctly at this time. The concern may have been caused by a loose or corroded connector. CLEAR the DTCs. REPEAT the self-test. TEST the system for normal operation.

E4 CHECK FOR CORRECT BCM-B (Body Control Module B) OPERATION

- Disconnect the BCM-B (Body Control Module B) connectors.

- Check for:
- corrosion

- damaged pins

- pushed-out pins


- Connect the BCM-B (Body Control Module B) connectors and make sure they seat correctly.

- Operate the system and verify the concern is still present.

Is the concern still present?

Yes
INSTALL a new BCM-B (Body Control Module B). REFER to Body Control Module B (BCM-B) . CLEAR the DTCs. REPEAT the self-test. TEST the system for normal operation.

No
The system is operating correctly at this time. The concern may have been caused by a loose or corroded connector. CLEAR the DTCs. REPEAT the self-test. TEST the system for normal operation.