Manual Transmission

This is the exact OEM manual section for the path above. Use the breadcrumb to move up or down the tree until you reach the precise year, make, model, and subsystem you need.

Need a step-by-step guide?

Get an AI-powered repair guide with parts lists, cost estimates, and clear instructions for your 2012 Ford.

AI Repair Guides
Revenue RailIntent: manual

Use the Manual With the Right Hardware

Pair factory procedures with proven DIY tools so the instructions are easier to execute.

Affiliate disclosure: We may earn a commission at no extra cost to you.



Fuel Pump Control Module - Manual Transmission
















Fuel Pump Control Module Connector





Harness Side






Fuel Pump Control Module 2 Module Connector





Harness Side






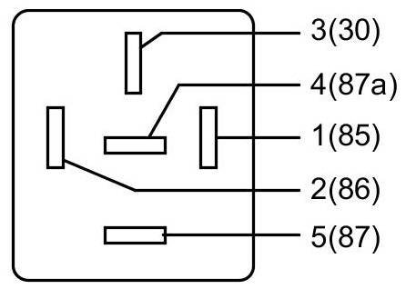
Fuel Pump Control Module Relay Connector - Refer to the Wiring Diagrams for schematic and connector information.





Harness Side






Inertia Fuel Shutoff (IFS) Switch Connector





Harness Side






Restraints Control Module (RCM) Connector





Harness Side






Powertrain Control Module (PCM) Connector - For PCM connector views or reference values, refer to Reference Values.





Harness Side