Manual Transmission

Need a step-by-step guide?

Get an AI-powered repair guide with parts lists, cost estimates, and clear instructions for your 2012 Ford.

AI Repair Guides
Revenue RailIntent: manual

Use the Manual With the Right Hardware

Pair factory procedures with proven DIY tools so the instructions are easier to execute.

Affiliate disclosure: We may earn a commission at no extra cost to you.



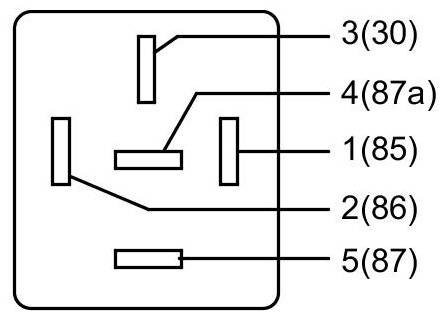
Powertrain Control Module (PCM) Power Relay - Manual Transmission.











Injector (INJ) Connector





Harness Side






Powertrain Control Module Power (PCM Power) Relay Connector





Harness Side





Component side






Powertrain Control Module (PCM) Connector - For PCM connector views or reference values, refer to Reference Values.




Harness Side