All Others.

Need a step-by-step guide?

Get an AI-powered repair guide with parts lists, cost estimates, and clear instructions for your 2012 Ford.

AI Repair Guides


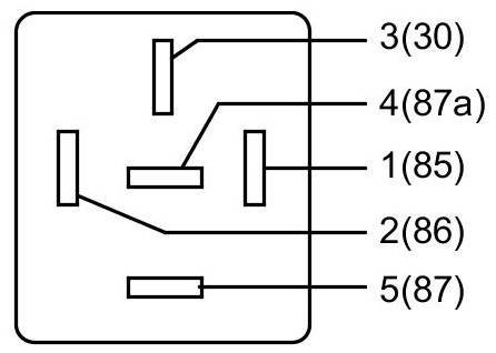
Powertrain Control Module (PCM) Power Relay - All Others.











Injector (INJ) Connector





Harness Side






Powertrain Control Module Power (PCM Power) Relay Connector





Harness Side





Component side