Pinpoint Test O: DTC U3003:16

Need a step-by-step guide?

Get an AI-powered repair guide with parts lists, cost estimates, and clear instructions for your 2012 Ford.

AI Repair Guides



Remote Function Actuator (RFA) Module

Pinpoint Test O: DTC U3003:16

Normal Operation

- DTC U3003:16 (Battery Voltage: Circuit Voltage Below Threshold)- sets in the Remote Function Actuator (RFA) module when the RFA (Remote Function Actuator) module detects that battery voltage has dropped below 9 volts (for more than 10 seconds) from the voltage supply circuit.

This pinpoint test is intended to diagnose the following:

- Wiring, terminals or connectors

- High circuit resistance

- RFA (Remote Function Actuator) module

PINPOINT TEST O : DTC U3003:16

NOTICE: Use the correct probe adapter(s) when making measurements. Failure to use the correct probe adapter(s) may damage the connector.

NOTE: Failure to disconnect the battery when instructed results in false resistance readings.

O1 RECHECK THE RFA (Remote Function Actuator) MODULE DTCs

- Ignition ON.

- Enter the following diagnostic mode on the scan tool: RFA (Remote Function Actuator) Module Self-Test.

- Clear the DTCs. Repeat the RFA (Remote Function Actuator) module self-test.

Is DTC U3003:16 still present?

Yes
GO to O2.

No
The system is operating correctly at this time. The DTC may have been set due to a previous low battery voltage condition.

O2 CHECK FOR CHARGING SYSTEM DTCs IN THE PCM

- Enter the following diagnostic mode on the scan tool: PCM Self-Test.

- Carry out the PCM KOEO (Key ON Engine OFF) self-test.

- Retrieve the continuous memory DTCs from the PCM.

Are any low or high voltage DTCs set in the PCM?

Yes
REFER to Charging System.

No
GO to O3.

O3 CHECK THE BATTERY CONDITION AND STATE OF CHARGE

- Ignition OFF.

- Check the battery condition and verify the battery is fully charged.

Is the battery OK and fully charged?

Yes
GO to O4.

No
REFER to Charging System.

O4 CHECK THE RFA (Remote Function Actuator) MODULE VOLTAGE PID

- Ignition ON.

- Measure and record the voltage at the battery.

- Enter the following diagnostic mode on the scan tool: RFA (Remote Function Actuator) Module DataLogger.

- Monitor the RFA (Remote Function Actuator) module voltage PID (ECU_VPWR).

Is the voltage within 0.2 volt of the recorded battery voltage?

Yes
GO to O7.

No
GO to O5.

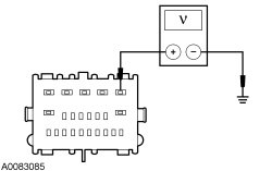
O5 CHECK THE RFA (Remote Function Actuator) MODULE VOLTAGE SUPPLY

- Ignition OFF.

- Disconnect: RFA (Remote Function Actuator) Module C3503A.

- Ignition ON.

- Measure the voltage between the RFA (Remote Function Actuator) module C3503A-1, circuit SBP09 (RD), harness side and ground.





Is the voltage within 0.2 volt of the recorded battery voltage?

Yes
GO to O6.

No
REPAIR circuit SBP09 (RD) for high resistance. CLEAR the DTC. REPEAT the self-test.

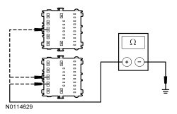
O6 CHECK THE RFA (Remote Function Actuator) MODULE GROUND CIRCUIT FOR HIGH RESISTANCE

- Ignition OFF.

- Disconnect: Negative Battery Cable.

- Disconnect: RFA (Remote Function Actuator) Module C3503D.

- Measure the resistance between the RFA (Remote Function Actuator) module and ground as follows:

Connector-Pin Circuit C3503A-3 GD145 (BK/BU) C3503D-3 GD145 (BK/BU) C3503D-4 GD145 (BK/BU)






Are the resistances less than 5 ohms?

Yes
GO to O7.

No
REPAIR circuit GD145 (BK/BU) for high resistance. CLEAR the DTC. REPEAT the self-test.

O7 CHECK FOR CORRECT RFA (Remote Function Actuator) MODULE OPERATION

- Disconnect the RFA (Remote Function Actuator) module connectors.

- Check for:
- corrosion

- damaged pins

- pushed-out pins


- Connect the RFA (Remote Function Actuator) module connectors and make sure they seat correctly.

- Operate the system and verify the concern is still present.

Is the concern still present?

Yes
INSTALL a new RFA (Remote Function Actuator) module. REFER to Remote Function Actuator (RFA) Module Remote Function Actuator (RFA) Module. TEST the system for normal operation.

No
The system is operating correctly at this time. The concern may have been caused by a loose or corroded connector.