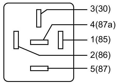
Test B: Powertrain Control Module (PCM) Power Relay

Need a step-by-step guide?

Get an AI-powered repair guide with parts lists, cost estimates, and clear instructions for your 2012 Ford.

AI Repair Guides


Powertrain Control Module (PCM) Power Relay












Injector (INJ) Connector






Harness Side







Powertrain Control Module Power (PCM Power) Relay Connector






Harness Side






Component side







Powertrain Control Module (PCM) Connector - For PCM connector views or reference values, refer to Reference Values.






Harness Side