Powertrain Control Module (PCM) Power Relay - Automatic Transmission.
Injector (INJ) Connector
Harness Side
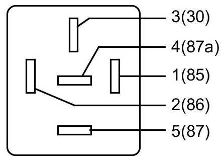
Powertrain Control Module Power (PCM Power) Relay Connector
Harness Side
Component side
Powertrain Control Module (PCM) Connector - For PCM connector views or reference values, refer to Reference Values.
Harness Side