Manual Transmission

Need a step-by-step guide?

Get an AI-powered repair guide with parts lists, cost estimates, and clear instructions for your 2012 Ford.

AI Repair Guides


Fuel Pump Control Module - Manual Transmission
















Fuel Pump Control Module Connector





Harness Side






Fuel Pump Control Module 2 Module Connector





Harness Side






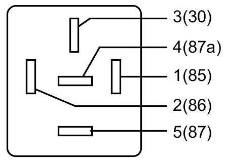
Fuel Pump Control Module Relay Connector - Refer to the Wiring Diagrams for schematic and connector information.





Harness Side






Inertia Fuel Shutoff (IFS) Switch Connector





Harness Side






Restraints Control Module (RCM) Connector





Harness Side






Powertrain Control Module (PCM) Connector - For PCM connector views or reference values, refer to Reference Values.





Harness Side