All Others

Need a step-by-step guide?

Get an AI-powered repair guide with parts lists, cost estimates, and clear instructions for your 2012 Ford.

AI Repair Guides


Fuel Pump Control Module - All Others
















Fuel Pump Control Module Connector





Harness Side






Fuel Pump Control Module 2 Module Connector





Harness Side






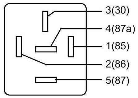
Fuel Pump Control Module Relay Connector - Refer to the Wiring Diagrams for schematic and connector information.





Harness Side






Inertia Fuel Shutoff (IFS) Switch Connector





Harness Side






Restraints Control Module (RCM) Connector





Harness Side