Powertrain Control Module (PCM) Power Relay - All Others.
Injector (INJ) Connector
Harness Side
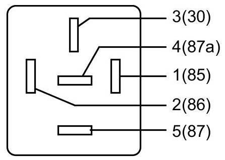
Powertrain Control Module Power (PCM Power) Relay Connector
Harness Side
Component side
Need a step-by-step guide?
Get an AI-powered repair guide with parts lists, cost estimates, and clear instructions for your 2012 Ford.