Ignition Switch Lock Cylinder: Service and Repair

Need a step-by-step guide?

Get an AI-powered repair guide with parts lists, cost estimates, and clear instructions for your 2007 Ford.

AI Repair Guides
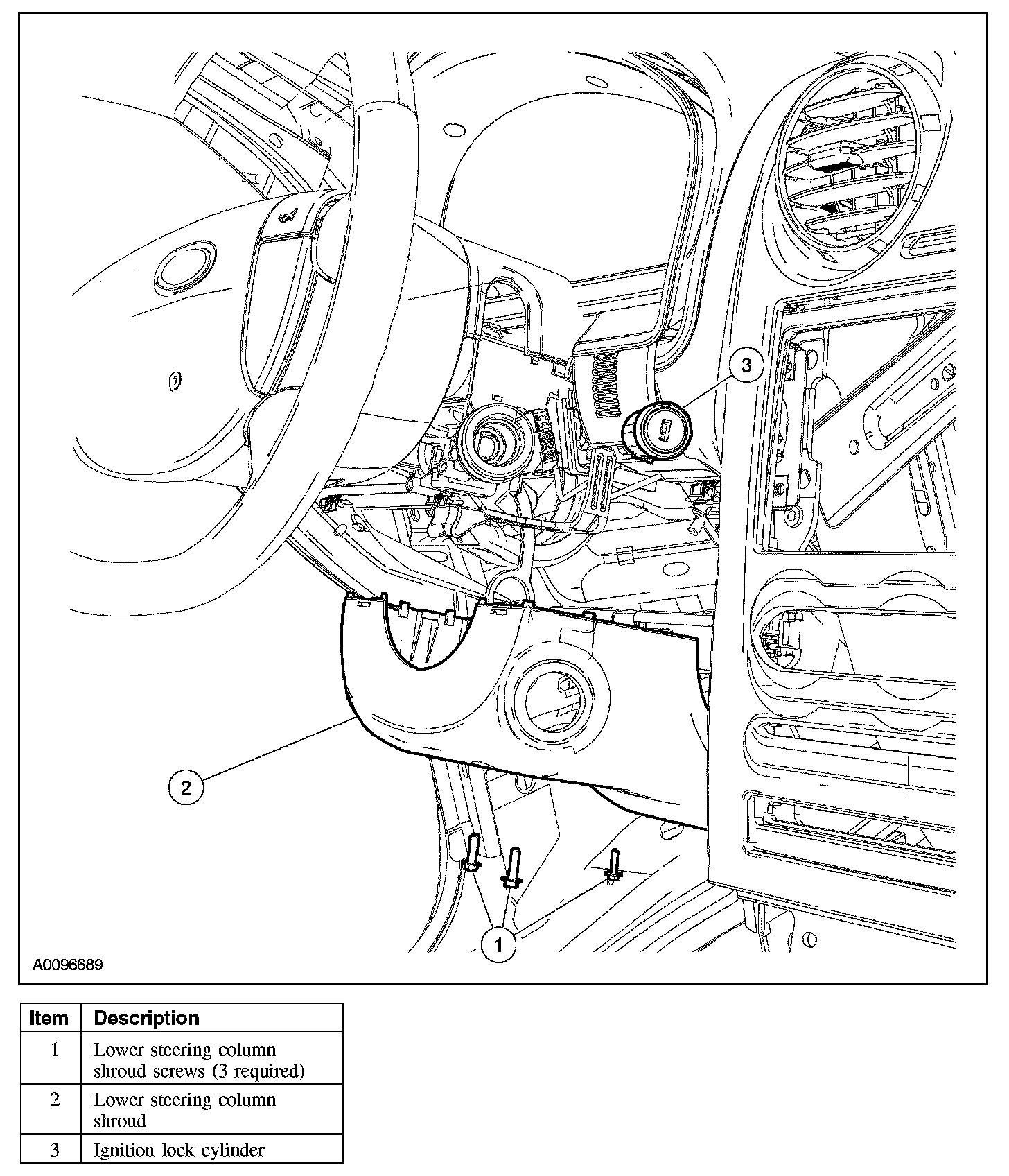
IGNITION LOCK CYLINDER







Removal and Installation
1. Disconnect the battery.
2. Remove the 3 lower steering column shroud screws.
3. Remove the lower steering column shroud.
4. Insert the ignition key and turn it to the ACC position.
5. Using a suitable tool, press the release pin and remove the ignition cylinder.
6. To install, reverse the removal procedure.